11. Tổng hợp bài tập mạch xoay chiều RLC – Phương pháp giản đồ

Đề bài

Câu 1 :

Mạch điện như hình vẽ, các vôn kế: V1 chỉ 75V, V2 chỉ 125V,

\({u_{MP}} = 100\sqrt 2 {\rm{cos}}\left( {100\pi t} \right)V\).

Cuộn cảm có điện trở. Cho

\({R_A} = {\rm{ }}0,{\rm{ }}{R_{V1}} = {\rm{ }}{R_{V2}} = \infty .\)

Biểu thức điện áp u­MN là:

  • A.

    \({u_{MN}} = 125\sqrt 2 {\rm{cos}}\left( {100\pi t + \frac{\pi }{2}} \right)V\)

     

  • B.

    \({u_{MN}} = 75\sqrt 2 {\rm{cos}}\left( {100\pi t + \frac{{2\pi }}{3}} \right)V\)

     

  • C.

    \({u_{MN}} = 75\sqrt 2 {\rm{cos}}\left( {100\pi t + \frac{\pi }{2}} \right)V\)

     

  • D.

    \({u_{MN}} = 125\sqrt 2 {\rm{cos}}\left( {100\pi t + \frac{\pi }{3}} \right)V\)

     

Câu 2 :

Đặt điện áp \(u = 220\sqrt 2 {\rm{cos100}}\pi {\rm{t}}\left( V \right)\) vào hai đầu đoạn mạch AB gồm hai đoạn mạch AM và MB mắc nối tiếp. Đoạn AM gồm cuộn cảm thuần L mắc nối tiếp với điện trở thuần R, đoạn MB chỉ có tụ điện C. Biết điện áp giữa hai đầu đoạn mạch AM và điện áp giữa hai đầu đoạn mạch MB có giá trị hiệu dụng bằng nhau nhưng lệch pha nhau góc \(\frac{{2\pi }}{3}\). Điện áp hiệu dụng giữa hai đầu đoạn mạch AM bằng:

  • A.

    \(220\sqrt 2 V\)

  • B.

    \(\frac{{220}}{{\sqrt 3 }}V\)

  • C.

    220 V

  • D.

    110 V

Câu 3 :

Đoạn mạch điện xoay chiều gồm điện trở thuần R = 30Ω mắc nối tiếp với cuộn dây. Điện áp hiệu dụng hai đầu cuộn dây là 120V. Dòng điện trong mạch lệch pha \(\dfrac{\pi }{6}\) so với điện áp hai đầu đoạn mạch và lệch pha \(\dfrac{\pi }{3}\) so với điện áp hai đầu cuộn dây. Cường độ dòng điện hiệu dụng qua mạch bằng:

  • A.

    \(3\sqrt 3 A\)

  • B.

    \(3A\)

  • C.

    \(4A\)

  • D.

    \(\sqrt 2 A\)

Câu 4 :

Trên đoạn mạch xoay chiều không phân nhánh có bốn điểm theo đúng thứ tự $A, M, N$ và $B$. Giữa hai điểm $A$ và $M$ chỉ có điện trở thuần, giữa hai điểm $M$ và $N$ chỉ có tụ điện, giữa hai điểm $N$ và $B$ có cuộn cảm. Đặt vào hai đầu đoạn mạch một điện áp xoay chiều $240V – 50Hz$ thì $u_{MB}$ và $u_{AM}$ lệch pha nhau \(\dfrac{\pi }{3}\), $u_{AB}$ và $u_{AM}$ lệch pha nhau \(\dfrac{\pi }{6}\) . Điện áp hiệu dụng trên $R$ là:

  • A.

    $80 V$

  • B.

    \(80\sqrt 3 V\)

  • C.

    $60 V$

  • D.

    \(60\sqrt 3 V\)

Câu 5 :

Đặt điện áp \(u = {U_0}{\rm{cos}}\omega {\rm{t}}\) (Uo và ω không đổi) vào hai đầu đoạn mạch AB theo thứ tự gồm một tụ điện, một cuộn cảm thuần và một điện trở thuần mắc nối tiếp. Gọi M là điểm nối giữa tụ điện và cuộn cảm. Biết điện áp hiệu dụng giữa hai đầu AM bằng điện áp hiệu dụng giữa hai đầu MB và cường độ dòng điện trong đoạn mạch lệch pha \(\dfrac{\pi }{{12}}\) so với điện áp giữa hai đầu đoạn mạch. Hệ số công suất của đoạn mạch  MB là?

  • A.

    \(\dfrac{{\sqrt 3 }}{2}\)

  • B.

    \(0,26\)

  • C.

    \(\dfrac{{\sqrt 2 }}{2}\)

  • D.

    \(0,5\)

Câu 6 :

Trên đoạn mạch xoay chiều không phân nhánh có 4 điểm theo đúng thứ tự A, M, N và B. Giữa hai điểm A và M chỉ có cuộn cảm thuần, giữa hai điểm M và N chỉ có điện trở thuần, giữa hai điểm N và B chỉ có tụ điện. Điện áp hiệu dụng giữa hai điểm A và N là 400 V và điện áp hiệu dụng giữa hai điểm M và B là 300 V. Điện áp tức thời trên đoạn AN và trên đoạn MB lệch pha nhau 900. Điện áp hiệu dụng trên R là:

  • A.

    240 V

  • B.

    120 V

  • C.

    500 V

  • D.

    180 V

Câu 7 :

Trên đoạn mạch xoay chiều không phân nhánh có bốn điểm theo đúng thứ tự A, M, N, B. Giữa hai điểm A và M chỉ có cuộn cảm thuần, giữa hai điểm M và N chỉ có điện trở thuần, giữa hai điểm N và B chỉ có tụ điện. Điện áp hiệu dụng giữa hai điểm A và M là 150V và điện áp hiệu dụng giữa hai điểm N và B là 200/3 V. Điện áp tức thười trên đoạn AN và trên đoạn MB lệch pha nhau 900. Điện áp hiệu dụng trên R là:

  • A.

    100 V

  • B.

    120 V

  • C.

    90 V

  • D.

    180 V

Câu 8 :

Trên đoạn mạch xoay chiều không phân nhánh có 4 điểm theo đúng thứ tự A, M, N và B. Giữa hai điểm A và M chỉ có điện trở thuần R, giữa hai điểm M và N chỉ có cuộn dây, giữa hai điểm N và B chỉ có tụ điện. Cuộn dây điện trở thuần r = 0,5R. Điện áp hiệu dụng trên đoạn AN là \(U\sqrt 3 \) và trên đoạn MB là U. Điện áp tức thời trên đoạn AN và trên đoạn MB lệch pha nhau 900. Điện áp tức thời uAN sớm pha hơn dòng điện là:

  • A.

    600

  • B.

    450

  • C.

    300

  • D.

    150

Câu 9 :

Trên đoạn mạch xoay chiều không phân nhánh có bốn điểm theo đúng thứ tự A, B, C và D. Giữa hai điểm A và B chỉ có tụ điện, giữa hai điểm B và C chỉ có điện trở thuần, giữa 2 điểm C và D chỉ có cuộn cảm thuần cảm. Điện áp hiệu dụng giữa hai điểm A và D là \(100\sqrt 3 V\) và cường độ hiệu dụng chạy qua mạch là 1 (A). Điện áp tức thời trên đoạn AC và trên đoạn BD lệch pha nhau 600 và giá trị hiệu dụng bằng nhau. Dung kháng của tụ điện là:

  • A.

    \(40 Ω\)

  • B.

    \(100 Ω\)

  • C.

    \(50\sqrt 3 \Omega \)

  • D.

    \(20 Ω\)

Câu 10 :

Mạch điện xoay chiều nối tiếp AB theo đúng thứ tự gồm cuộn cảm thuần L, điện trở thuần R và tụ điện C. Cho biết điện áp hiệu dụng \({U_{RL}} = {U_{RC}}\sqrt 3 \) và R2 = L/C. Tính hệ số công suất của đoạn mạch AB.

  • A.

    \(\dfrac{{\sqrt 2 }}{7}\)

  • B.

    \(\dfrac{{\sqrt 3 }}{5}\)

  • C.

    \(\sqrt {\dfrac{3}{7}} \)

  • D.

    \(\dfrac{{\sqrt 2 }}{5}\)

Câu 11 :

Đặt điện áp xoay chiều \(u = 80c{\rm{os}}\omega {\rm{t}}\left( V \right)\)vào hai đầu đoạn mạch nối tiếp gồm điện trở R, cuộn cảm có độ tự cảm L, có điện trở thuần r và tụ điện C thì công suất tiêu thụ của mạch là 40W. Biết điện áp hiệu dụng trên điện trở, trên cuộn cảm và trên tụ điện lần lượt là  25V, 25V và 60V. Giá trị r bằng:

  • A.

    50Ω

  • B.

    15Ω

  • C.

    20Ω

  • D.

    30Ω

Câu 12 :

Đặt điện áp \(u = U\sqrt 2 {\rm{cos}}\left( {100\pi t + \dfrac{\pi }{6}} \right)V\) vào hai đầu đoạn mạch AB. Đoạn AB có 4 điểm theo đúng thứ tự A, M, N và B. Giữa hai điểm A và M chỉ có điện trở thuần R, giữa hai điểm M và N chỉ có cuộn dây có cảm kháng 100Ω có điện trở r = 0,5R, giữa 2 điểm N và B chỉ có tụ điện có dung kháng 200Ω. Điện áp hiệu dụng trên đoạn AN là 200V. Điện áp tức thời trên đoạn MN và AB lệch pha nhau \(\dfrac{\pi }{2}\). Nếu biểu thức dòng điện trong mạch là \(i = I\sqrt 2 {\rm{cos}}\left( {100\pi t + {\varphi _i}} \right)A\) thì giá trị của I và \({\varphi _i}\) lần lượt là:

  • A.

    \(1A{\rm{ }}\)  và \({\rm{ }}\dfrac{\pi }{3}\)

  • B.

    \(\sqrt 2 A{\rm{ }}\) và \({\rm{ }}\dfrac{\pi }{3}\)

  • C.

    \(\sqrt 2 A{\rm{ }}\) và \({\rm{ }}\dfrac{\pi }{4}\)

  • D.

    \(1A{\rm{ }}\) và \({\rm{ }}\dfrac{\pi }{4}\)

Câu 13 :

Trên đoạn mạch xoay chiều không phân nhánh có 4 điểm theo đúng thứ tự A, M, N và B. Giữa hai điểm A và M chỉ có cuộn dây, giữa 2 điểm M và N chỉ có điện trở thuần, giữa 2 điểm N và B chỉ có tụ điện. Điện áp hiệu dụng giữa 2 điểm A và N là 60 V và điện áp hiệu dụng giữa 2 điểm M và B là \(40\sqrt 3 V\) . Điện áp tức thời trên đoạn AN và trên đoạn MB lệch pha nhau 900, điện áp tức thời trên đoạn MB và trên đoạn NB lệch pha nhau 300 và cường độ hiệu dụng trong mạch là \(\sqrt 3 A\). Điện trở thuần của cuộn dây là:

  • A.

    \(40 Ω\)

  • B.

    \(10 Ω\)

  • C.

    \(50 Ω\)

  • D.

    \(20 Ω\)

Câu 14 :

Mạch điện xoay chiều nối tiếp có 4 điểm theo đúng thứ tự A, M, N và B. Giữa hai điểm A và M chỉ có tụ điện, giữa 2 điểm M và N chỉ có điện trở R, giữa 2 điểm N và B chỉ có cuộn cảm thuần. Điện áp hiệu dụng trên đoạn AN và trên MB là \(120\sqrt 2 V\) và 200V. Điện áp tức thời trên đoạn An và MB lệch pha nhau 98,130. Tính điện áp hiệu dụng trên R.

  • A.

    120 V

  • B.

    100 V

  • C.

    250 V

  • D.

    160 V

Câu 15 :

Trên đoạn mạch xoay chiều không phân nhánh có 4 điểm theo đúng thứ tự A, N, M và B. Giữa 2 điểm A và N chỉ có điện trở thuần R, giữa 2 điểm N và M chỉ có cuộn dây (có điện trở thuần r = R), giữa 2 điểm M và B chỉ có tụ điện. Đặt vào 2 đầu đoạn mạch một điện áp U tần số \(50 Hz\) thì điện áp hiệu dụng trên đoạn AM bằng trên đoạn NB và bằng \(30\sqrt 5 V\). Điện áp tức thời trên đoạn AM vuông pha với điện áp trên đoạn NB. Giá trị U bằng:

  • A.

    \(30 V\)

  • B.

    \(90 V\)

  • C.

    \(60\sqrt 2 V\)

  • D.

    \(120 V\)

Lời giải và đáp án

Câu 1 :

Mạch điện như hình vẽ, các vôn kế: V1 chỉ 75V, V2 chỉ 125V,

\({u_{MP}} = 100\sqrt 2 {\rm{cos}}\left( {100\pi t} \right)V\).

Cuộn cảm có điện trở. Cho

\({R_A} = {\rm{ }}0,{\rm{ }}{R_{V1}} = {\rm{ }}{R_{V2}} = \infty .\)

Biểu thức điện áp u­MN là:

  • A.

    \({u_{MN}} = 125\sqrt 2 {\rm{cos}}\left( {100\pi t + \frac{\pi }{2}} \right)V\)

     

  • B.

    \({u_{MN}} = 75\sqrt 2 {\rm{cos}}\left( {100\pi t + \frac{{2\pi }}{3}} \right)V\)

     

  • C.

    \({u_{MN}} = 75\sqrt 2 {\rm{cos}}\left( {100\pi t + \frac{\pi }{2}} \right)V\)

     

  • D.

    \({u_{MN}} = 125\sqrt 2 {\rm{cos}}\left( {100\pi t + \frac{\pi }{3}} \right)V\)

     

Đáp án : C

Phương pháp giải :

Sử dụng giản đồ véctơ

Lời giải chi tiết :

Nhận xét:

 \(U_{NP}^2 = U_{MP}^2 + U_{MN}^2 \to {U_{MN}} \bot {U_{MP}}\)

Ta có:

\({U_{0MN}} = {V_1}\sqrt 2  = 75\sqrt 2 V\)

\({U_{MN}} \bot {U_{MP}} \to {\varphi _{{u_{MN}}}} – {\varphi _{MP}} = \frac{\pi }{2} \to {\varphi _{{u_{MN}}}} = {\varphi _{MP}} + \frac{\pi }{2} = \frac{\pi }{2}\)

=> Biểu thức điện áp:

\({u_{MN}} = 75\sqrt 2 {\rm{cos}}\left( {100\pi t + \frac{\pi }{2}} \right)V\)

Câu 2 :

Đặt điện áp \(u = 220\sqrt 2 {\rm{cos100}}\pi {\rm{t}}\left( V \right)\) vào hai đầu đoạn mạch AB gồm hai đoạn mạch AM và MB mắc nối tiếp. Đoạn AM gồm cuộn cảm thuần L mắc nối tiếp với điện trở thuần R, đoạn MB chỉ có tụ điện C. Biết điện áp giữa hai đầu đoạn mạch AM và điện áp giữa hai đầu đoạn mạch MB có giá trị hiệu dụng bằng nhau nhưng lệch pha nhau góc \(\frac{{2\pi }}{3}\). Điện áp hiệu dụng giữa hai đầu đoạn mạch AM bằng:

  • A.

    \(220\sqrt 2 V\)

  • B.

    \(\frac{{220}}{{\sqrt 3 }}V\)

  • C.

    220 V

  • D.

    110 V

Đáp án : C

Phương pháp giải :

Sử dụng giản đồ véctơ

Lời giải chi tiết :

Ta có: Tam giác AMB là tam giác đều

=> UAB = UAM = 220V

Câu 3 :

Đoạn mạch điện xoay chiều gồm điện trở thuần R = 30Ω mắc nối tiếp với cuộn dây. Điện áp hiệu dụng hai đầu cuộn dây là 120V. Dòng điện trong mạch lệch pha \(\dfrac{\pi }{6}\) so với điện áp hai đầu đoạn mạch và lệch pha \(\dfrac{\pi }{3}\) so với điện áp hai đầu cuộn dây. Cường độ dòng điện hiệu dụng qua mạch bằng:

  • A.

    \(3\sqrt 3 A\)

  • B.

    \(3A\)

  • C.

    \(4A\)

  • D.

    \(\sqrt 2 A\)

Đáp án : C

Phương pháp giải :

Sử dụng giản đồ véctơ

Lời giải chi tiết :

Ta có mạch điện được vẽ lại như trên.

Ta có: \(\widehat {BAM} = \dfrac{\pi }{6};\\\widehat {AMB} = \pi – \widehat {BMI} = \pi – \dfrac{\pi }{3} = \dfrac{{2\pi }}{3} \\\to \widehat {ABM}= \pi – \left( {\widehat {BAM} + \widehat {AMB}} \right) = \dfrac{\pi }{6}\)

=> \(\Delta AMB\)  cân tại M

=> UR = UMB = 120V

$ \Rightarrow I = \dfrac{{{U_R}}}{R} = \dfrac{{120}}{{30}} = 4(A)$

Câu 4 :

Trên đoạn mạch xoay chiều không phân nhánh có bốn điểm theo đúng thứ tự $A, M, N$ và $B$. Giữa hai điểm $A$ và $M$ chỉ có điện trở thuần, giữa hai điểm $M$ và $N$ chỉ có tụ điện, giữa hai điểm $N$ và $B$ có cuộn cảm. Đặt vào hai đầu đoạn mạch một điện áp xoay chiều $240V – 50Hz$ thì $u_{MB}$ và $u_{AM}$ lệch pha nhau \(\dfrac{\pi }{3}\), $u_{AB}$ và $u_{AM}$ lệch pha nhau \(\dfrac{\pi }{6}\) . Điện áp hiệu dụng trên $R$ là:

  • A.

    $80 V$

  • B.

    \(80\sqrt 3 V\)

  • C.

    $60 V$

  • D.

    \(60\sqrt 3 V\)

Đáp án : B

Phương pháp giải :

+ Sử dụng giản đồ véctơ

+ Sử dụng định lí hàm số sin:

\(\dfrac{a}{{{\mathop{\rm sinA}\nolimits} }} = \dfrac{b}{{{\mathop{\rm sinB}\nolimits} }} = \dfrac{c}{{{\mathop{\rm sinC}\nolimits} }}\)

Lời giải chi tiết :

Ta có: $u_{MB}$ và $u_{AM}$ lệch pha nhau \(\dfrac{\pi }{3}\)

=> cuộn cảm không thuần cảm, có điện trở trong $r$

Vẽ lại mạch điện và vẽ giản đồ véc tơ, ta có:

$\angle BAM = \dfrac{\pi }{6};\angle AMB = \pi – \angle BMI = \pi – \dfrac{\pi }{3} = \dfrac{{2\pi }}{3} \to \angle ABM = \pi – \left( {\angle BAM + \angle AMB} \right) = \dfrac{\pi }{6}$

$\dfrac{{{U_R}}}{{\sin \angle ABM}} = \dfrac{{{U_{AB}}}}{{\sin \angle AMB}} \leftrightarrow \dfrac{{{U_R}}}{{\sin \dfrac{\pi }{6}}} = \dfrac{{{U_{AB}}}}{{\sin \dfrac{{2\pi }}{3}}} \to {U_R} = \dfrac{{{U_{AB}}}}{{\sin \dfrac{{2\pi }}{3}}}\sin \dfrac{\pi }{6} = \dfrac{{240}}{{\dfrac{{\sqrt 3 }}{2}}}\dfrac{1}{2} = \dfrac{{240}}{{\sqrt 3 }} = 80\sqrt 3 V$

Câu 5 :

Đặt điện áp \(u = {U_0}{\rm{cos}}\omega {\rm{t}}\) (Uo và ω không đổi) vào hai đầu đoạn mạch AB theo thứ tự gồm một tụ điện, một cuộn cảm thuần và một điện trở thuần mắc nối tiếp. Gọi M là điểm nối giữa tụ điện và cuộn cảm. Biết điện áp hiệu dụng giữa hai đầu AM bằng điện áp hiệu dụng giữa hai đầu MB và cường độ dòng điện trong đoạn mạch lệch pha \(\dfrac{\pi }{{12}}\) so với điện áp giữa hai đầu đoạn mạch. Hệ số công suất của đoạn mạch  MB là?

  • A.

    \(\dfrac{{\sqrt 3 }}{2}\)

  • B.

    \(0,26\)

  • C.

    \(\dfrac{{\sqrt 2 }}{2}\)

  • D.

    \(0,5\)

Đáp án : D

Phương pháp giải :

Cách 1: Phương pháp đại số: sử dụng công thức \(\tan \varphi  = \dfrac{{{Z_L} – {Z_C}}}{R}\) và công thức hệ số công suất \({\rm{cos}}\varphi {\rm{ = }}\dfrac{R}{Z}\)

Cách 2: Sử dụng giản đồ véctơ

Lời giải chi tiết :

Cách 1: Phương pháp đại số:

Do UAM = UMB => ZC = ZRL

Ta có:

\({\rm{cos}}\varphi {\rm{ = }}\dfrac{R}{{{Z_{MB}}}} = \dfrac{R}{{{Z_C}}}\)

\(\begin{array}{l}tan{\varphi _{AB}} = \tan \dfrac{\pi }{{12}} = \dfrac{{{Z_L} – {Z_C}}}{R} = \dfrac{{{Z_L}}}{R} – \dfrac{{{Z_C}}}{R} \\= \tan \varphi  – \dfrac{1}{{{\rm{cos}}\varphi }} = \dfrac{{\sin \varphi  – 1}}{{{\rm{cos}}\varphi }} \\=  – \dfrac{{{\rm{cos}}\dfrac{\varphi }{2} – \sin \dfrac{\varphi }{2}}}{{{\rm{cos}}\dfrac{\varphi }{2} + \sin \dfrac{\varphi }{2}}}\\ \to \sin \dfrac{\varphi }{2}\left( {1 + \tan \dfrac{\pi }{{12}}} \right) = {\rm{cos}}\dfrac{\varphi }{2}\left( {1 – \tan \dfrac{\pi }{{12}}} \right) \\\to \tan \dfrac{\varphi }{2} = \dfrac{{\left( {1 – \tan \dfrac{\pi }{{12}}} \right)}}{{\left( {1 + \tan \dfrac{\pi }{{12}}} \right)}} = \dfrac{1}{{\sqrt 3 }} \\\to \dfrac{\varphi }{2} = {30^0} \\\to \varphi  = {60^0}\\ \to c{\rm{os}}\varphi {\rm{ = 0}}{\rm{,5}}\end{array}\)

Cách 2: Sử dụng giản đồ véctơ

Ta có:

\(\angle O{U_{AB}}{U_{MB}} = \pi  – \left( {\dfrac{\pi }{{12}} + \dfrac{\pi }{2}} \right) = \dfrac{{5\pi }}{{12}} = \angle {U_{MB}}O{U_{AB}}\) ( do tam giác OUMBUAB cân tại UMB )

\(\begin{array}{l} \to {\varphi _{MB}} = \angle {U_{MB}}O{U_R} = \dfrac{{5\pi }}{{12}} – \dfrac{\pi }{{12}} = \dfrac{\pi }{3}\\ \to c{\rm{os}}{\varphi _{MB}} = c{\rm{os}}\dfrac{\pi }{3} = 0,5\end{array}\)

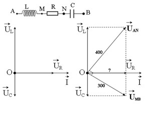
Câu 6 :

Trên đoạn mạch xoay chiều không phân nhánh có 4 điểm theo đúng thứ tự A, M, N và B. Giữa hai điểm A và M chỉ có cuộn cảm thuần, giữa hai điểm M và N chỉ có điện trở thuần, giữa hai điểm N và B chỉ có tụ điện. Điện áp hiệu dụng giữa hai điểm A và N là 400 V và điện áp hiệu dụng giữa hai điểm M và B là 300 V. Điện áp tức thời trên đoạn AN và trên đoạn MB lệch pha nhau 900. Điện áp hiệu dụng trên R là:

  • A.

    240 V

  • B.

    120 V

  • C.

    500 V

  • D.

    180 V

Đáp án : A

Phương pháp giải :

Sử dụng giản đồ véctơ

Lời giải chi tiết :

Vẽ lại mạch điện và vẽ giản đồ véctơ, ta được:

Từ giản đồ véctơ, ta có:

\(\dfrac{1}{{U_R^2}} = \dfrac{1}{{U_{AN}^2}} + \dfrac{1}{{U_{MB}^2}} = \dfrac{1}{{{{300}^2}}} + \dfrac{1}{{{{400}^2}}} \\\to {U_R} = 240V\)

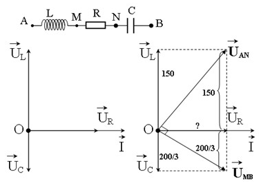
Câu 7 :

Trên đoạn mạch xoay chiều không phân nhánh có bốn điểm theo đúng thứ tự A, M, N, B. Giữa hai điểm A và M chỉ có cuộn cảm thuần, giữa hai điểm M và N chỉ có điện trở thuần, giữa hai điểm N và B chỉ có tụ điện. Điện áp hiệu dụng giữa hai điểm A và M là 150V và điện áp hiệu dụng giữa hai điểm N và B là 200/3 V. Điện áp tức thười trên đoạn AN và trên đoạn MB lệch pha nhau 900. Điện áp hiệu dụng trên R là:

  • A.

    100 V

  • B.

    120 V

  • C.

    90 V

  • D.

    180 V

Đáp án : A

Phương pháp giải :

Sử dụng giản đồ véc tơ

 

Lời giải chi tiết :

Vẽ lại mạch điện và vẽ giản đồ véctơ, ta được:

Từ giản đồ véctơ, xét tam giác vuông UANOUMB , ta có:

đường cao trong tam giác vuông:

 \(U_R^2 = {U_L}{U_C} = 150.\dfrac{{200}}{3} \to {U_R} = 100V\)

Câu 8 :

Trên đoạn mạch xoay chiều không phân nhánh có 4 điểm theo đúng thứ tự A, M, N và B. Giữa hai điểm A và M chỉ có điện trở thuần R, giữa hai điểm M và N chỉ có cuộn dây, giữa hai điểm N và B chỉ có tụ điện. Cuộn dây điện trở thuần r = 0,5R. Điện áp hiệu dụng trên đoạn AN là \(U\sqrt 3 \) và trên đoạn MB là U. Điện áp tức thời trên đoạn AN và trên đoạn MB lệch pha nhau 900. Điện áp tức thời uAN sớm pha hơn dòng điện là:

  • A.

    600

  • B.

    450

  • C.

    300

  • D.

    150

Đáp án : C

Phương pháp giải :

Sử dụng giản đồ véctơ

 

Lời giải chi tiết :

Vẽ giản đồ véctơ, ta được:

Từ giản đồ véctơ, ta có:

\(\left\{ \begin{array}{l}\sin \alpha  = \dfrac{{{U_r}}}{{{U_{MB}}}} = \dfrac{{{U_r}}}{U}\\{\rm{cos}}\alpha {\rm{ = }}\dfrac{{{U_{R + r}}}}{{{U_{AN}}}} = \dfrac{{{U_{R + r}}}}{{U\sqrt 3 }} = \dfrac{{3{U_r}}}{{U\sqrt 3 }}\end{array} \right. \to \tan \alpha  = \dfrac{{\sqrt 3 }}{3} \to \alpha  = {30^0}\)

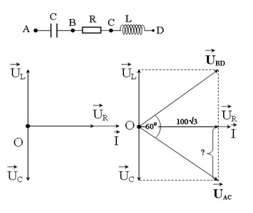
Câu 9 :

Trên đoạn mạch xoay chiều không phân nhánh có bốn điểm theo đúng thứ tự A, B, C và D. Giữa hai điểm A và B chỉ có tụ điện, giữa hai điểm B và C chỉ có điện trở thuần, giữa 2 điểm C và D chỉ có cuộn cảm thuần cảm. Điện áp hiệu dụng giữa hai điểm A và D là \(100\sqrt 3 V\) và cường độ hiệu dụng chạy qua mạch là 1 (A). Điện áp tức thời trên đoạn AC và trên đoạn BD lệch pha nhau 600 và giá trị hiệu dụng bằng nhau. Dung kháng của tụ điện là:

  • A.

    \(40 Ω\)

  • B.

    \(100 Ω\)

  • C.

    \(50\sqrt 3 \Omega \)

  • D.

    \(20 Ω\)

Đáp án : B

Phương pháp giải :

Sử dụng giản đồ véctơ

Lời giải chi tiết :

Vẽ lại mạch điện và vẽ giản đồ véctơ, ta được:

Ta có: UAC = UBD và góc UBDOUAC bằng 600

 => Tam giác UBDOUAC là tam giác đều (do tam giác cân có 1 góc = 600 là tam giác đều)

Từ giản đồ véctơ, ta có:

\({U_L} = {U_C} = \dfrac{{{U_R}}}{{\sqrt 3 }}\)

=> Mạch cộng hưởng

\(\begin{array}{l}=  > {U_R} = U = 100\sqrt 3 V\\\Rightarrow {U_C} = \dfrac{{{U_R}}}{{\sqrt 3 }} = 100V\\\to {Z_C} = \dfrac{{{U_C}}}{I} = 100\Omega\end{array}\) 

Câu 10 :

Mạch điện xoay chiều nối tiếp AB theo đúng thứ tự gồm cuộn cảm thuần L, điện trở thuần R và tụ điện C. Cho biết điện áp hiệu dụng \({U_{RL}} = {U_{RC}}\sqrt 3 \) và R2 = L/C. Tính hệ số công suất của đoạn mạch AB.

  • A.

    \(\dfrac{{\sqrt 2 }}{7}\)

  • B.

    \(\dfrac{{\sqrt 3 }}{5}\)

  • C.

    \(\sqrt {\dfrac{3}{7}} \)

  • D.

    \(\dfrac{{\sqrt 2 }}{5}\)

Đáp án : C

Phương pháp giải :

Sử dụng giản đồ véctơ

Lời giải chi tiết :

Theo đầu bài, ta có:

\(\begin{array}{l}{R^2} = \dfrac{L}{C} = \omega L\dfrac{1}{{\omega C}} = {Z_L}{Z_C}\\ \to \dfrac{{{Z_L}}}{R}\dfrac{{\left( { – {Z_L}} \right)}}{R} =  – 1\\ \to \tan {\varphi _{RL}}\tan {\varphi _{RC}} =  – 1\\ \Rightarrow {u_{RL}} \bot {u_{RC}}\end{array}\)

Vẽ giản đồ véctơ, ta được:

Từ giản đồ véctơ, ta có:

\(\begin{array}{l}\tan \alpha  = \dfrac{{{U_{RC}}}}{{{U_{RL}}}} = \dfrac{a}{{a\sqrt 3 }} = \dfrac{1}{{\sqrt 3 }} \to \alpha  = {30^0}\\\left\{ \begin{array}{l}{U_R} = ac{\rm{os}}\alpha  = \dfrac{{a\sqrt 3 }}{2}\\{U_C}{\rm{ =  asin}}\alpha  = \dfrac{a}{2}\\{U_L} = a\sqrt 3 {\rm{cos}}\alpha  = \dfrac{{3a}}{2}\end{array} \right. \\\to c{\rm{os}}\varphi {\rm{ = }}\dfrac{{{U_R}}}{U} = \dfrac{{{U_R}}}{{\sqrt {{U_R}^2 + {{\left( {{U_L} – {U_C}} \right)}^2}} }} = \sqrt {\dfrac{3}{7}} \end{array}\)

Câu 11 :

Đặt điện áp xoay chiều \(u = 80c{\rm{os}}\omega {\rm{t}}\left( V \right)\)vào hai đầu đoạn mạch nối tiếp gồm điện trở R, cuộn cảm có độ tự cảm L, có điện trở thuần r và tụ điện C thì công suất tiêu thụ của mạch là 40W. Biết điện áp hiệu dụng trên điện trở, trên cuộn cảm và trên tụ điện lần lượt là  25V, 25V và 60V. Giá trị r bằng:

  • A.

    50Ω

  • B.

    15Ω

  • C.

    20Ω

  • D.

    30Ω

Đáp án : B

Phương pháp giải :

Sử dụng giản đồ véctơ

Lời giải chi tiết :

Vẽ lại mạch điện và vẽ giản đồ véctơ, ta được:

Từ giản đồ véctơ, ta có:

\(\begin{array}{l}N{E^2} = M{N^2} – M{E^2} = 625 – {x^2}\\ \to EB = 60 – \sqrt {625 – {x^2}} \\A{B^2} = A{E^2} + E{B^2} \leftrightarrow {\left( {40\sqrt 2 } \right)^2} = {\left( {25 + x} \right)^2} + {\left( {60 – \sqrt {625 – {x^2}} } \right)^2}\\ \to … \to 120\sqrt {625 – {x^2}}  = 1650 + 50{\rm{x}}\\ \to {\rm{12}}\sqrt {625 – {x^2}}  = 165 + 5{\rm{x}}\\ \to {\rm{144}}\left( {625 – {x^2}} \right) = {\left( {165 + 5{\rm{x}}} \right)^2}\\ \to \left[ \begin{array}{l}x = 15\\x =  – 24,76\end{array} \right.\\ \to x = 15 \Rightarrow AE = 40{\rm{W}}\\P = UIc{\rm{os}}\varphi {\rm{ = I}}{\rm{.AE}} \\\to I = \dfrac{P}{{AE}} = 1A\\ \to r = \dfrac{{{U_r}}}{I} = 15\Omega \end{array}\)

Câu 12 :

Đặt điện áp \(u = U\sqrt 2 {\rm{cos}}\left( {100\pi t + \dfrac{\pi }{6}} \right)V\) vào hai đầu đoạn mạch AB. Đoạn AB có 4 điểm theo đúng thứ tự A, M, N và B. Giữa hai điểm A và M chỉ có điện trở thuần R, giữa hai điểm M và N chỉ có cuộn dây có cảm kháng 100Ω có điện trở r = 0,5R, giữa 2 điểm N và B chỉ có tụ điện có dung kháng 200Ω. Điện áp hiệu dụng trên đoạn AN là 200V. Điện áp tức thời trên đoạn MN và AB lệch pha nhau \(\dfrac{\pi }{2}\). Nếu biểu thức dòng điện trong mạch là \(i = I\sqrt 2 {\rm{cos}}\left( {100\pi t + {\varphi _i}} \right)A\) thì giá trị của I và \({\varphi _i}\) lần lượt là:

  • A.

    \(1A{\rm{ }}\)  và \({\rm{ }}\dfrac{\pi }{3}\)

  • B.

    \(\sqrt 2 A{\rm{ }}\) và \({\rm{ }}\dfrac{\pi }{3}\)

  • C.

    \(\sqrt 2 A{\rm{ }}\) và \({\rm{ }}\dfrac{\pi }{4}\)

  • D.

    \(1A{\rm{ }}\) và \({\rm{ }}\dfrac{\pi }{4}\)

Đáp án : A

Phương pháp giải :

Sử dụng giản đồ véctơ

Lời giải chi tiết :

Vẽ lại mạch điện và giản đồ véctơ, ta được:

Từ giản đồ, ta có: M vừa là trọng tâm vừa là trực tâm => Tam giác AMB là tam giác đều

=> UC = UAN = 200V

\(I = \frac{{{U_C}}}{{{Z_C}}} = 1A\)

và i sớm pha hơn uAB một góc \(\dfrac{\pi }{6}\)

\( \to i = \sqrt 2 {\rm{cos}}\left( {100\pi t + \dfrac{\pi }{6} + \dfrac{\pi }{6}} \right) = \sqrt 2 {\rm{cos}}\left( {100\pi t + \dfrac{\pi }{3}} \right)A\)

Câu 13 :

Trên đoạn mạch xoay chiều không phân nhánh có 4 điểm theo đúng thứ tự A, M, N và B. Giữa hai điểm A và M chỉ có cuộn dây, giữa 2 điểm M và N chỉ có điện trở thuần, giữa 2 điểm N và B chỉ có tụ điện. Điện áp hiệu dụng giữa 2 điểm A và N là 60 V và điện áp hiệu dụng giữa 2 điểm M và B là \(40\sqrt 3 V\) . Điện áp tức thời trên đoạn AN và trên đoạn MB lệch pha nhau 900, điện áp tức thời trên đoạn MB và trên đoạn NB lệch pha nhau 300 và cường độ hiệu dụng trong mạch là \(\sqrt 3 A\). Điện trở thuần của cuộn dây là:

  • A.

    \(40 Ω\)

  • B.

    \(10 Ω\)

  • C.

    \(50 Ω\)

  • D.

    \(20 Ω\)

Đáp án : B

Phương pháp giải :

Sử dụng phương pháp giản đồ véctơ

Lời giải chi tiết :

Vẽ lại mạch điện và vẽ giản đồ véctơ, ta được:

Từ giản đồ véctơ, ta có:

\(\begin{array}{l}{U_R} = 40\sqrt 3 \sin {30^0} = 20\sqrt 3 V\\{U_{R + r}} = 60\sin {60^0} = 30\sqrt 3 V \\\to {U_r} = 10\sqrt 3 V\\ \to r = \dfrac{{{U_r}}}{I} = 10\Omega \end{array}\)

Câu 14 :

Mạch điện xoay chiều nối tiếp có 4 điểm theo đúng thứ tự A, M, N và B. Giữa hai điểm A và M chỉ có tụ điện, giữa 2 điểm M và N chỉ có điện trở R, giữa 2 điểm N và B chỉ có cuộn cảm thuần. Điện áp hiệu dụng trên đoạn AN và trên MB là \(120\sqrt 2 V\) và 200V. Điện áp tức thời trên đoạn An và MB lệch pha nhau 98,130. Tính điện áp hiệu dụng trên R.

  • A.

    120 V

  • B.

    100 V

  • C.

    250 V

  • D.

    160 V

Đáp án : A

Phương pháp giải :

Sử dụng giản đồ véctơ

Lời giải chi tiết :

Ta có giản đồ véctơ:

Từ giản đồ véctơ, ta có:

\(\begin{array}{l}N{E^2} = A{{\rm{E}}^2} + A{N^2} – 2{\rm{A}}N.A{\rm{Ecos98}}{\rm{,1}}{{\rm{3}}^0} \to NE = 280V\\\dfrac{{AN}}{{\sin \alpha }} = \dfrac{{NE}}{{\sin {{98,13}^0}}} \to \sin \alpha  = 0,6\\ \to {U_R} = MB{\rm{sin}}\alpha {\rm{ = 120V}}\end{array}\)

Câu 15 :

Trên đoạn mạch xoay chiều không phân nhánh có 4 điểm theo đúng thứ tự A, N, M và B. Giữa 2 điểm A và N chỉ có điện trở thuần R, giữa 2 điểm N và M chỉ có cuộn dây (có điện trở thuần r = R), giữa 2 điểm M và B chỉ có tụ điện. Đặt vào 2 đầu đoạn mạch một điện áp U tần số \(50 Hz\) thì điện áp hiệu dụng trên đoạn AM bằng trên đoạn NB và bằng \(30\sqrt 5 V\). Điện áp tức thời trên đoạn AM vuông pha với điện áp trên đoạn NB. Giá trị U bằng:

  • A.

    \(30 V\)

  • B.

    \(90 V\)

  • C.

    \(60\sqrt 2 V\)

  • D.

    \(120 V\)

Đáp án : C

Phương pháp giải :

Sử dụng giản đồ véctơ

Lời giải chi tiết :

Vẽ lại mạch điện và vẽ giản đồ véctơ, ta được:

Từ giản đồ véctơ, ta có:

\(\begin{array}{l}\left\{ \begin{array}{l}\sin \alpha  = \dfrac{{{U_r}}}{{{U_{NB}}}} = \dfrac{{{U_r}}}{{30\sqrt 5 }}\\{\rm{cos}}\alpha {\rm{ = }}\dfrac{{{U_{R + r}}}}{{{U_{AM}}}} = \dfrac{{2{U_r}}}{{30\sqrt 5 }}\end{array} \right. \to \tan \alpha  = \dfrac{1}{2} \to c{\rm{os}}\alpha {\rm{ = }}\dfrac{2}{{\sqrt 5 }}\\ \to \left\{ \begin{array}{l}{U_{R + r}} = 30\sqrt 5 {\rm{cos}}\alpha  = {\rm{60V}}\\{U_{LC}} = 30\sqrt 5 {\rm{cos}}\alpha  = {\rm{60V}}\end{array} \right.\\ \to U = \sqrt {{U_{R + r}}^2 + {U_{LC}}^2}  = 60\sqrt 2 V\end{array}\)

TẢI APP ĐỂ XEM OFFLINE