Đề kiểm tra 45 phút (1 tiết) – Đề số 7 – Chương 2 – Vật lí 9

Giải Đề kiểm tra 45 phút (1 tiết) – Đề số 2 – Chương 2 – Vật lí 9

Đề bài

Câu 1. Phát biểu, viết biểu thức và nói rõ các đại lượng và đơn vị đo trong công thức của định luật Ôm với một đoạn mạch.

Câu 2. Phát biểu, viết biểu thức và nói rõ các đại lượng và đơn vị đo trong công thức của định luật Jun – len -xơ với một đoạn mạch.

Câu 3. Có một số thỏi kim loại làm bằng đồng và 1 số làm bằng sắt mạ đồng giống hệt nhau, hãy tìm cách phân loại chúng?

Câu 4. Trong mạch điện như hình vẽ, biết ampe kế A chỉ 1A; A1 chỉ 0,4A; A2 chỉ 0,3A; điện trở R3 = 40Ω.

 

a) Tính điện trở tương đương của đoạn mạch

b) Tính điện trở R1; R2

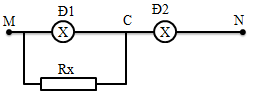
Câu 5. Hai bóng đèn Đ1: 2,5V – 1W; Đ2: 6V – 3W được mắc như hình vẽ dưới đây. Biết các đèn sáng bình thường. hãy tính

 

a) Hiệu điện thế giữa hai đầu đoạn mạch

b) Điện trở Rx  và điện trở mạch MN

Lời giải chi tiết

Vui lòng nhập mật khẩu để tiếp tục

test321

Câu 1 :

Phát biểu: Cường độ dòng điện chạy qua 1 dây dẫn tỉ lệ thuận với hiệu điện thế đặt vào hai đầu dây dẫn và tỷ lệ nghịch với điện trở của mỗi dây.

Biểu thức: I = U/R

I: cường độ dòng điện, đo bằng ampe

U: hiệu điện thế, đo bằng vôn kế (V)

R: điện trở của dây dẫn, đo bằng Ôm (Ω)

Câu 2 :

Định luật: Nhiệt lượng tỏa ra trên dây dẫn khi có dòng điện chạy qua tỷ lệ thuận với bình phương cường độ dòng điện, tỷ lệ thuận với điện trở dây dẫn và thời gian dòng điện chạy qua.

Công thức: Q = I2R.t

I đo bằng A

R đo bằng Ω

t đo bằng s

Q đo bằng J

Nếu Q đo bằng calo thì 1 (J) = 0,24cal

Câu 3 :

Dùng nam châm cái nào bằng sắt thì bị hút.

Câu 4 :

Từ công thức  I = I1+ I2 + I3  cường độ dòng điện qua ampe kế A3 là:

I3 = I – I1 – I2 = 0,3A

Vì đoạn mạch mắc song song nên hiệu điện thế giữa hai đầu R3 chính là hiệu điện thế giữa hai đầu đoạn mạch: UAB = U3= R3 . l3 = 12V

Từ công thức I = U/R, điện trở tương đương của mạch là Rtd = UAB / I = 12 / 1 = 12Ω

Điện trở R1  là R1 = UAB / I1 = 12 / 0,4 = 30Ω

Điện trở R2  là R2 = UAB / 21 = 12 / 0,3 = 40Ω

Câu 5 :

a) Vì các đèn sáng bình thường nên U1 = UĐ1 = 2,5V

U2 = UĐ2 = 6V

UMN = UMC + UCN = 2,5 + 6 = 8,5V

b) Vì các đèn sáng bình thường nên:

I = I2 = PĐ2 /UĐ2 = 3/6 = 0,5A

I1 = PĐ1 /UĐ1 = 1/2,5 = 0,4A

Vì Đ1 // Rx nên cường độ dòng điện qua điện trở Rx

Ix  = I – I1 = 0,1A

Điện trở Rx là Rx = UMC /Ix = 2,5/0,1 = 25Ω

Điện trở của đoạn mạch MN là: RMN = UMN­ / I = 8,5/0,5 = 17Ω

Sachgiaihay.com

TẢI APP ĐỂ XEM OFFLINE

CHƯƠNG I. ĐIỆN HỌC