1. Bài 1. Thiết bị cảm biến và khuếch đại thuật toán

Ngày nay, các thiết bị điện tử, đặc biệt là các thiết bị cảm biến được dùng phố biến trong nhiều lĩnh vực.

Lựa chọn câu để xem lời giải nhanh hơn

Câu hỏi tr 36 KĐ

Ngày nay, các thiết bị điện tử, đặc biệt là các thiết bị cảm biến được dùng phố biến trong nhiều lĩnh vực.

Ở Hình 1.1, cảm biến nhiệt độ bên trong lồng ấp trứng gà sẽ giúp bộ xử lí điều khiến các thiết bị sưởi ấm và làm mát để giữ nhiệt độ ổn định phù hợp với việc ấp trứng. Lồng ấp trứng giống như một gà mẹ khổng lồ mà sau mỗi lần “ấp ủ” đã cho ra đời hàng trăm chú gà con, giúp nâng cao năng suất ấp trứng gà.

Các cảm biến đã hoạt động theo cách thức như thế nào mà làm được những công việc như vậy?

Lời giải chi tiết:

Cảm biến là thiết bị có đặc tính thay đổi khi có một yếu tố tác động lên nó. Phần cảm biến là phần tử phát hiện/ nhận biết và đáp ứng kích thích của môi trường, cảm nhận sự biến thiên của yếu tố tác động lên nó. Bộ xử lí phần tử chuyển đổi đáp ứng của phân tử cảm biến thành tín hiệu điện, tín hiệu này sẽ hiển thị lên thiết bị đầu ra. Sự thay đổi nhiệt độ của không khí trong lồng ấp trứng tác động vào cảm biến sẽ khiến bộ xử lí bật hoặc tắt bộ phận làm nóng nhờ đó mà giữ cho trứng được ấp ở nhiệt độ thích hợp.

Câu hỏi tr 37 CH 1

Nêu đặc tính cơ bản của phần tử cảm biến.

Lời giải chi tiết:

Phần tử cảm biến là phần tử quan trọng nhất của bộ phận cảm biến, đặc tính nổi bật của phần tử cảm biến là có thể phát hiện/nhận biết và đáp ứng một kích thích của môi trường.

Câu hỏi tr 37 CH 2

Lấy ví dụ về thiết bị cảm biến ở nhà của bạn

Lời giải chi tiết:

Các thiết bị có cảm ứng phổ biến trong cuộc sống: đèn ngủ, máy lọc không khí, cảm biến khói báo cháy,…

Câu hỏi tr 38 CH

Lấy ví dụ để phân loại các bộ cảm biến theo nguyên tắc hoạt động, hiệu quả kinh tế.

Lời giải chi tiết:

Phân loại theo nguyên tắc hoạt động:

  • Cảm biến chủ động và cảm biến thụ động: Cảm biến ánh sáng phát hiện xem ánh sáng có chiếu vào nó hay không và cảm biến nhiệt độ phát hiện nhiệt độ của một vật
  • Dựa vào cách thức phát hiện tín hiệu được sử dụng trong cảm biến: Cảm biến khói phát hiện ra khói, …
  • Dựa vào hiện tượng chuyển đổi tức là đầu vào và đầu ra: Cảm biến nhiệt điện, quang điện,..
  • Cảm biến tương tự và cảm biến kĩ thuật số:
    • cảm biến tương tự: cảm biến gia tốc, cảm biến áp suất, cảm biến ánh sáng,cảm biến âm thanh, cảm biến nhiệt độ
    • cảm biến kĩ thuật số: gia tốc kế kĩ thuật số, cảm biến nhiệt độ kĩ thuật số,…

Phân loại theo hiệu quả kinh tế: cảm biến nhiệt độ có nhiều loại khác nhau nhưng tùy thuộc vào nhu cầu sử dụng mà người ta lựa chọn loại tối ưu sao cho phù hợp với giá cả, tính năng, độ tin cậy, tuổi thọ,…

Câu hỏi tr 39 CH 1

Giá trị điện trở của LDR trong hình 1.6 thay đổi như thế nào khi cường độ ánh sáng tăng lên?

Lời giải chi tiết:

Từ đồ thị ta thấy khi cường độ ánh sáng tăng lên thì giá trị điện trở giảm dần.

Câu hỏi tr 39 CH 2

LDR được sử dụng làm một phần tử cảm biến như thế nào?

Lời giải chi tiết:

Do ánh sáng làm cho điện trở của LDR thay đổi nên có thể sử dụng điện trở LDR để cảm nhận sự biến thiên cường độ ánh sáng, dựa vào độ biến thiên giá trị điện trở LDR để xác định cường độ ánh sáng.

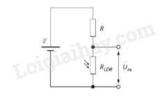
Câu hỏi tr 39 CH 3

Vẽ sơ đồ khối thể hiện nguyên tắc hoạt động của bộ cảm biến dùng LDR làm phần tử cảm biến.

Lời giải chi tiết:

Khi cường độ ánh sáng chiếu vào LDR thay đổi, điện trở của LDR biến thiên dẫn đến hiệu điện thế giữa hai đầu nó cũng biến thiên.

Câu hỏi tr 40 CH

Hình 1.8 thể hiện sơ đồ mạch điện của một bộ chia điện thế. Nguồn điện có suất điện động 6,00 V và điện trở trong không đáng kể được mắc nối tiếp với điện trở cố định 120 Ω và biến trở có điện trở thay đổi từ 0Ωđến 200Ω.

Xác định phạm vi hiệu điện thế có thể có giữa hai đầu điện trở cố định.

Lời giải chi tiết:

Hiệu điện thế ra giữa hai đầu của LDR khi biến trở 120Ωlà: 

\({U_{ra}} = \frac{{{R_b}}}{{{R_b} + R}}U = \frac{{200}}{{200 + 120}}.6 = 3,75V\)

Phạm vi hiệu điện thế có thể có giữa hai đầu điện trở cố định từ 0V đến 3,75V

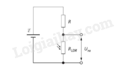
Câu hỏi tr 41 CH

Vẽ sơ đồ mạch điện thể hiện nguyên tắc dùng NTC làm phần tử cảm biến.

Lời giải chi tiết:

Câu hỏi tr 41 LT

1. Trên hình 1.12, điện trở của điện trở nhiệt NTC thay đổi từ 20 kΩ ở 20°C đến 100Ω ở 60°C. Tính hiệu điện thế ra giữa hai đầu điện trở nhiệt Ura ở hai nhiệt độ này.

2. Thay thế điện trở nhiệt trong Hình 1.12 bằng điện trở phụ thuộc vào ánh sáng (LDR). Hiệu điện thế đầu ra Ura sẽ tăng hay giảm khi LDR được chiếu sáng. Giải thích câu trả lời.

Lời giải chi tiết:

1. Hiệu điện thế ra giữa hai đầu điện trở nhiệt Ura ở 20°C là:

\({U_{ra}} = \frac{{{R_b}}}{{{R_b} + R}}U = \frac{{{{20.10}^3}}}{{{{20.10}^3} + {{10}^3}}}.10 = 9,524V\)

Hiệu điện thế ra giữa hai đầu điện trở nhiệt Ura ở 60°C là:

\({U_{ra}} = \frac{{{R_b}}}{{{R_b} + R}}U = \frac{{100}}{{100 + {{10}^3}}}.10 = 0,909V\)

2. Khi LDR được chiếu sáng thì cường độ ánh sáng tăng thì điện trở giảm và hiệu điện thế đầu ra Ura sẽ giảm

Câu hỏi tr 43 CH

Hãy nêu các tính chất của bộ khuếch đại thuật toán lí tưởng.

Lời giải chi tiết:

Các tính chất của bộ khuếch đại thuật toán lí tưởng:

  • Hệ số khuếch đại vòng hở vô cùng lớn (G0=∞), cho phép op-amp khuếch đại cả những tín hiệu với biên độ rất nhỏ thành tín hiệu đầu ra có biên độ lớn.
  • Tổng trở đầu vào của op-amp rất lớn, điều này giúp cho dòng điện đầu vào bằng 0, mạch khuếch đại những nguồn tín hiệu có công suất bé.
  • Tổng trở đầu ra của op-amp rất nhỏ, mạch nối với đầu ra của op-amp không bị sụt áp, cho phép op-amp cung cấp dòng tốt cho phụ tải.
  • Đáp ứng tần số cao, tức là op-amp hoạt động rất linh hoạt trên nhiều dải tần số tín hiệu đầu vào.

Câu hỏi tr 44 CH

Khi tham quan thực tế, bạn cần chú ý điều gì để giữ an toàn cho bản thân và người khác?

Lời giải chi tiết:

  • Chỉ được bắt đầu tìm hiểu thiết bị khi có sự hiện diện và cho phép của giáo viên.
  • Đọc kỹ hướng dẫn và suy nghĩ trước khi tìm hiểu về các thiết bị.
  • Luôn luôn nhận biết nơi để các trang thiết bị an toàn.
  • Phải mặc trang phục gọn gàng phù hợp.
  • Phải mang kính bảo hộ.
  • Phải cột tóc gọn lại.
  • Không chạm vào các thí thiết bị nếu tay ướt, ẩm. Không ăn hoặc uống trong phòng thí nghiệm.
  • Không được nhìn xuống ống thí nghiệm.
  • Nếu làm đổ rơi các thiết bị hoặc xảy ra tai nạn, báo cho giáo viên ngay lập tức.
  • Nếu chưa rõ vấn đề nào hãy hỏi giáo viên ngay lập tức. 

Câu hỏi tr 44 Báo cáo

Thực hành

1. Mục đích 

Tìm hiểu về cấu tạo và nguyên tắc hoạt động của thiết bị cảm biến

2. Nhiệm vụ cần thực hiện

  • Quan sát thiết bị.
  • Chụp ảnh thiết bị.
  • Thu thập thông tin từ người hướng dẫn về cấu trúc và nguyên tắc hoạt động của thiết bị đang tim hiểu.

3. Báo cáo kết quả

Ghi kết quả tìm hiểu vào Bảng như ví dụ sau:

Bảng kết quả tìm hiểu

TT

Thiết bị

Chức năng

Công dụng

Ghi chú

1

Hệ thống điều khiển đèn đường

Tự động bật, tắt đèn

Giảm sự tác động của con người

 

?

?

?

?

?

Lời giải chi tiết:

Bảng kết quả tìm hiểu

TT

Thiết bị

Chức năng

Công dụng

Ghi chú

1

Hệ thống điều khiển đèn đường

Tự động bật, tắt đèn

Giảm sự tác động của con người

 

2

Hệ thống cảnh báo cháy

Cảnh báo có cháy, phun nước dập lửa một phần

Gỉảm thiệt hại và cảnh báo khi hỏa hoạn

 

3

Hệ thống tự động tưới nước

Cảm nhận độ ẩm của đất, tưới nước cho cây

Giảm sự tác động của con người

 

Câu hỏi tr 45 VD

Dự án tìm hiểu cảm biến và khuếch đại thuật toán

1. Thảo luận để trả lời các câu hỏi sau

  • Có thể phân loại cảm biến theo nguyên tắc hoạt động, phạm vi sử dụng, hiệu quả kinh tế bằng những ví dụ cụ thể nào?
  • Nguyên tắc hoạt động của điện trở phụ thuộc ánh sáng và của điện trở nhiệt là gì?
  • Làm thế nào để chuyển điện trở phụ thuộc ánh sáng và điện trở nhiệt thành phần tử cảm biến trong các bộ cảm biến?
  • Tính chất cơ bản của bộ khuếch đại thuật toán lí tưởng là gì?
  • Thiết bị cảm biến được ứng dụng như thế nào?

2. Thảo luận, thống nhất nội dung cần tìm hiểu

3. Lập kế hoạch, thực hiện dự án của nhóm

Xác định các nhiệm vụ cần thực hiện để hoàn thành sản phẩm dự án phân chia nhiệm vụ cho các thành viên trong nhóm; xác định thời hạn hoàn thành phương tiện khảo xát, thu thập, xửlí thông tin và sản phẩm dự kiến

4. Thực hiện dự án, báo cáo và thảo luận

  • Tiến hành tìm hiểu thử thập xử là thông tin theo kế hoạch và xây dựng sản phẩm trình bày trên lớp.
  • Báo cáo về quá trình thực hiện và kết quả dự án tìm hiểu.

Lời giải chi tiết:

1. Phân loại cảm biến theo các nguyên tắc

Phân loại theo nguyên tắc hoạt động:

  • Cảm biến chủ động và cảm biến thụ động: Cảm biến ánh sáng phát hiện xem ánh sáng có chiếu vào nó hay không và cảm biến nhiệt độ phát hiện nhiệt độ của một vật
  • Dựa vào cách thức phát hiện tín hiệu được sử dụng trong cảm biến: Cảm biến khói phát hiện ra khói, …
  • Dựa vào hiện tượng chuyển đổi tức là đầu vào và đầu ra: Cảm biến nhiệt điện, quang điện,..
  • Cảm biến tương tự và cảm biến kĩ thuật số:
    • cảm biến tương tự: cảm biến gia tốc, cảm biến áp suất, cảm biến ánh sáng,cảm biến âm thanh, cảm biến nhiệt độ
    • cảm biến kĩ thuật số: gia tốc kế kĩ thuật số, cảm biến nhiệt độ kĩ thuật số,…

Phân loại theo hiệu quả kinh tế và phạm vi hoạt động: cảm biến nhiệt độ có nhiều loại khác nhau nhưng tùy thuộc vào nhu cầu sử dụng mà người ta lựa chọn loại tối ưu sao cho phù hợp với giá cả, tính năng, độ tin cậy, tuổi thọ,…

2. Nguyên tắc hoạt động của của điện trở phụ thuộc vào ánh sáng và điện trở nhiệt là:

Điện trở phụ thuộc vào ánh sáng: Giá trị điện trở của LDR giảm khi mức độ ánh sáng tăng lên và ngược lại.

Điện trở nhiệt dựa trên nguyên tắc điện trở của kim loại tăng lên khi nhiệt độ tăng lên và hiện tượng này được gọi là nhiệt điện trở suất. Khi nhiệt độ môi trường tăng hoặc giảm, điện trở của nhiệt điện trở cũng sẽ tăng hoặc giảm theo.

3. Bản thân các điện trở đó đã có chức năng cảm nhận sự thay đổi của môi trường, các điều kiện xung quanh chỉ cần lắp đặt phù hợp là có thể chuyển đổi tín hiệu mà các điện trở cảm nhận thành các tín hiệu đầu ra để điều khiển thiết bị.

4. Tính chất cơ bản của bộ khuếch đại thuật toán lí tưởng:

  • Hệ số khuếch đại vòng hở vô cùng lớn
  • Tổng trở đầu vào rất lớn
  • Tổng trở đầu ra rất nhỏ
  • Đáp ứng tần số cao

5. Thiết bị cảm biến được ứng dụng rất phổ biến trông cuộc sống hiện tại, nó được thiết kế ứng dụng một cách thông minh phù hợp với những nhu cầu của con người.

TẢI APP ĐỂ XEM OFFLINE