5. Bài 10. Biến trở – Điện trở dùng trong kĩ thuật

Đề bài

Câu 1 :

Biến trở là:

  • A.

    điện trở có thể thay đổi trị số và dùng để điều chỉnh chiều dòng điện trong mạch.

  • B.

    điện trở có thể thay đổi trị số và dùng để điều chỉnh cường độ và chiều dòng điện trong mạch.

  • C.

    điện trở có thể thay đổi trị số và dùng để điều chỉnh cường độ dòng điện trong mạch.

  • D.

    điện trở không thay đổi trị số và dùng để điều chỉnh cường độ dòng điện trong mạch.

Câu 2 :

Hiệu điện thế trong mạch điện có sơ đồ dưới được giữ không đổi. Khi dịch chuyển con chạy của biến trở dần về đầu N thì số chỉ của ampe kế sẽ thay đổi như thế nào?

  • A.

    Giảm dần đi

  • B.

    Tăng dần lên

  • C.

    Không thay đổi

  • D.

    Lúc đầu giảm dần, sau đó tăng dần lên

Câu 3 :

Biến trở không có kí hiệu sơ đồ nào dưới đây?

  • A.
  • B.
  • C.
  • D.

Câu 4 :

Câu phát biểu nào dưới đây là không đúng về biến trở?

  • A.

    Biến trở là điện trở có thể thay đổi trị số

  • B.

    Biến trở là dụng cụ có thể được dùng để thay đổi cường độ dòng điện

  • C.

    Biến trở là dụng cụ có thể được dùng để thay đổi hiệu điện thế giữa hai đầu dụng cụ điện

  • D.

    Biến trở là dụng cụ có thể được dùng để thay đổi chiều dòng điện trong mạch.

Câu 5 :

Trước khi mắc biến trở vào mạch để điều chỉnh cường độ dòng điện thì cần điều chỉnh biến trở có giá trị nào dưới đây?

  • A.

    Có giá trị 0

  • B.

    Có giá trị nhỏ

  • C.

    Có giá trị lớn

  • D.

    Có giá trị lớn nhất

Câu 6 :

Trên một biến trở có ghi \(30\Omega  – 2,5{\rm{A}}\). Các số ghi này có ý nghĩa nào dưới đây?

  • A.

    Biến trở có điện trở nhỏ nhất là \(30\Omega \) và chịu được dòng điện có cường độ nhỏ nhất là \(2,5{\rm{A}}\)

  • B.

    Biến trở có điện trở nhỏ nhất là \(30\Omega \) và chịu được dòng điện có cường độ lớn nhất là \(2,5{\rm{A}}\)

  • C.

    Biến trở có điện trở lớn nhất là \(30\Omega \) và chịu được dòng điện có cường độ lớn nhất là \(2,5{\rm{A}}\)

  • D.

    Biến trở có điện trở lớn nhất là \(30\Omega \) và chịu được dòng điện có cường độ nhỏ nhất là \(2,5{\rm{A}}\)

Câu 7 :

Cho mạch điện như hình vẽ:

Đóng khóa K rồi dịch chuyển con chạy trên biến trở. Đề đèn sáng mạnh nhất thì phải dịch chuyển con chạy của biến trở đến vị trí nào?

  • A.

    Điểm M

  • B.

    Điểm N

  • C.

    Trung điểm của MN

  • D.

    Đèn luôn sáng bình thường

Câu 8 :

Điện trở dùng trong kĩ thuật thường có trị số:

  • A.

    Rất lớn

  • B.

    Rất nhỏ

  • C.

    Cỡ vài chục ôm

  • D.

    Có thể lên tới 100 ôm

Câu 9 :

Trong kĩ thuật, chẳng hạn trong các mạch điện của rađio, tivi, … người ta cần sử dụng các điện trở có kích thước nhỏ với các trị số khác nhau, có thể lên tới vài trăm megaom. Các điện trở này được chế tạo bằng một lớp than hay lớp kim loại mỏng phủ ngoài một lớp cách điện (thường bằng sứ). Phương án nào sau đây giải thích được vì sao lớp than hay lớp kim loại đó lại có điện trở lớn.

  • A.

    Vì khối này như một điện trở có bề dày lớn

  • B.

    Vì khối này như một điện trở có tiết diện S rất nhỏ

  • C.

    Vì khối này như một điện trở có tiết diện S lớn

  • D.

    Vì khối này như một điện trở có chiều dài rất lớn

Câu 10 :

Điện trở dùng trong kĩ thuật được chế tạo bằng:

  • A.

    Lớp natri hoặc lớp kim loại mỏng phủ ngoài một lớp cách điện

  • B.

    Lớp natri hoặc lớp kim loại mỏng phủ ngoài một lớp dẫn điện

  • C.

    Lớp chì hoặc lớp kim loại mỏng phủ ngoài một lớp cách điện

  • D.

    Lớp chì hoặc lớp kim loại mỏng phủ ngoài một lớp dẫn điện

Câu 11 :

Một biến trở con chạy có điện trở lớn nhất là \(20\Omega \). Dây điện trở của biến trở là hợp kim nicrom có điện trở suất \(1,{1.10^{ – 6}}\Omega .m\) và tiết diện \(0,5m{m^2}\) và được quấn đều xung quang một lõi sứ tròn đường kính \(1,5cm\). Số vòng dây của biến trở này là:

  • A.

    260 vòng

  • B.

    193 vòng

  • C.

    326 vòng

  • D.

    186 vòng

Câu 12 :

Cầm làm một biến trở có điện trở lớn nhất là \(50\Omega \) bằng dây dẫn Niken có điện trở suất  \(0,{4.10^{ – 6}}\Omega .m\) và có tiết diện \(0,5m{m^2}\). Chiều dài của dây dẫn có giá trị là:

  • A.

    62,5m

  • B.

    37,5m

  • C.

    40m

  • D.

    10m

Câu 13 :

Trên một biến trở con chạy có ghi \(60\Omega  – 2{\rm{A}}\). Hiệu điện thế lớn nhất được phép đặt lên hai đầu cuộn dây của biến trở là:

  • A.

    \(30V\)

  • B.

    \(60V\)

  • C.

    \(80V\)

  • D.

    \(120V\)

Câu 14 :

Cuộn dây dẫn một biến trở con chạy được làm bằng hợp kim niken có điện trở suất \(0,{4.10^{ – 6}}\Omega .m\), có tiết diện đều là \(0,6m{m^2}\) và gồm 500 vòng quấn quanh lõi sứ trụ tròn có đường kính 4cm. Điện trở lớn nhất của biến trở này là:

  • A.

    \(62,8\Omega \)

  • B.

    \({\rm{41,9}}\Omega \)

  • C.

    \({\rm{26}}\Omega \)

  • D.

    \(52,2\Omega \)

Câu 15 :

Cho mạch điện có sơ đồ như hình sau:

Trong đó, hiệu điện thế giữa hai điểm A và B được giữ không đổi và đèn sáng bình thường khi biến trở có điện trở bằng 0. Câu phát biểu nào sau đây là đúng?

  • A.

    Đèn sáng mạnh lên khi di chuyển con chạy của biến trở về đầu M

  • B.

    Đèn sáng yếu hơn khi di chuyển con chạy của biến trở về đầu M

  • C.

    Đèn sáng mạnh lên khi di chuyển con chạy của biến trở về đầu N

  • D.

    Cả ba phương án trên đều không đúng

Câu 16 :

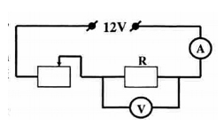
Trong mạch điện có sơ đồ như sau:

Nguồn điện có hiệu điện thế không đổi là 12V, điện trở mạch ngoài \(R = 12\Omega \). Phải điều chỉnh biến trở có điện trở là bao nhiêu để vôn kế chỉ 3V?

  • A.

    \(12\Omega \)

  • B.

    \(24\Omega \)

  • C.

    \(36\Omega \)

  • D.

    \(34\Omega \)

Câu 17 :

Một bóng đèn có hiệu điện thế định mức 3V và cường độ dòng điện định mức 0,4A được mắc với một biến trở con chạy để sử dụng với nguồn điện có hiệu điện thế không đổi 12V.

Câu 17.1

Đèn và biến trở phải mắc với nhau như thế nào để đèn có thể sáng bình thường? Biến trở phải có giá trị là bao nhiêu để đèn sáng bình thường?

  • A

    Mắc nối tiếp và \({R_b} = 22,5\Omega \)

  • B

    Mắc song song và \({R_b} = 22,5\Omega \)

  • C

    Mắc nối tiếp và \({R_b} = 30\Omega \)

  • D

    Mắc song song và \({R_b} = 30\Omega \)

Câu 17.2

Nếu biến trở có điện trở lớn nhất là \(40\Omega \) thì khi đèn sáng bình thường dòng điện chạy qua bao nhiêu % tổng số vòng dây của biến trở?

  • A

    40%

  • B

    27,9%

  • C

    59,375%

  • D

    56,25%

Câu 18 :

Một bóng đèn có hiệu điện thế định mức là 3V và khi ra sáng bình thường thì dòng điện qua đèn có cường độ là 0,32A. Mắc bóng đèn này nối tiếp với biến trở rồi mắc vào hiệu điện thế không đổi 12V. Hỏi biến trở này phải có giá trị là bao nhiêu để đèn có thể sáng bình thường?

  • A.
    \(37,5\Omega \)
  • B.
    \(9,375\Omega \) 
  • C.
    \(28,125\Omega \) 
  • D.
    \(18,125\Omega \)

Câu 19 :

Hiệu điện thế U trong mạch điện có sơ đồ như hình vẽ được giữ không đổi. Khi dịch chuyển con chạy của biến trở tiến dần về đầu N thì số chỉ của ampe kế sẽ thay đổi như thế nào?

  • A.
    Giảm dần đi     
  • B.
    Tăng dần lên.
  • C.
    Không thay đổi. 
  • D.
    Lúc đầu giảm dần đi, sau đó tăng dần lên.

Câu 20 :

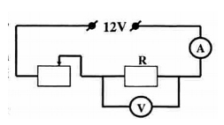
Trong mạch điện có sơ đồ vẽ ở hình vẽ, nguồn điện có hiệu điện thế không đổi 12V

 

a) Điều chỉnh con chạy của biến trở để vôn kế chỉ 6V thì ampe kế chỉ 0,5A. Hỏi khi đó biến trở có điện trở là bao nhiêu?

b) Phải điều chỉnh biến trở có điện trở là bao nhiêu để vôn kế chỉ 4,5V?

  • A.
    \({R_b} = 15\Omega ;{R_b}’ = 22\Omega \)   
  • B.
    \({R_b} = 20\Omega ;{R_b}’ = 12\Omega \)     
  • C.
    \({R_b} = 12\Omega ;{R_b}’ = 20\Omega \)  
  • D.
    \({R_b} = 22\Omega ;{R_b}’ = 15\Omega \)

Câu 21 :

Cuộn dây của một biến trở con chạy được làm bằng hợp kim Nikêlin có điện trở suất \(0,{40.10^{ – 6}}\Omega .m\), có tiết diện đều là 0,6mm2 và gồm 500 vòng quấn thành một lớp quanh lõi sứ trụ tròn đường kính 4cm. Hiệu điện thế lớn nhất được phép đặt lên hai đầu cuộn dây cảu biến trở là 67V. Hỏi biến trở này chịu được dòng điện có cường độ lớn nhất là bao nhiêu?

  • A.
    \({I_{\max }} = 1,6A\) 
  • B.
    \({I_{\max }} = 1,675A\)       
  • C.
    \({I_{\max }} = 1,3A\)    
  • D.
    \({I_{\max }} = 1,34A\)

Câu 22 :

Trên một biến trở con chạy có ghi 50Ω – 2,5A. Biến trở được làm bằng dây hợp kim nicrom có điện trở suất 1,10.10-6Ω.m và có chiều dài 50m. Tính tiết diện của dây dẫn dùng để làm biến trở.

  • A.
    \(1,1{m^2}\)  
  • B.
    \(1,1m{m^2}\) 
  • C.
    \(1,5m{m^2}\) 
  • D.
    \(1,5{m^2}\)

Câu 23 :

Cho mạch điện gồm R1  = 3Ω và biến trở R2 được mắc song song nhau. Đặt vào hai đầu đoạn mạch một hiệu điện thế không đổi U = 8V.

a) Biết R2 = 6Ω, tính điện trở tương đương của đoạn mạch

b) Điều chỉnh biến trở R2 để cường độ dòng điện qua mạch là 5A. Tính giá trị điện trở của biến trở tham gia vào mạch khi đó?

  • A.
    \(2\Omega ;\dfrac{{24}}{7}\Omega \)   
  • B.
    \(2\Omega ;\dfrac{7}{{24}}\Omega \)
  • C.
    \(9\Omega ;7\Omega \)
  • D.
    \(9\Omega ;24\Omega \)

Câu 24 :

Một biến trở Rb có giá trị lớn nhất là 30Ω được mắc với hai điện trở R1 = 15Ω và R2 = 10Ω thành hai đoạn mạch có sơ đồ như hình vẽ, trong đó hiệu điện thế không đổi U = 4,5V. Hỏi khi điều chỉnh biến trở thì cường độ dòng điện chạy qua biến trở R1 có giá trị lớn nhất Imax và nhỏ nhất Imin là bao nhiêu?

  • A.
    \({I_{1\max }} = 0,5A;{I_{1\min }} = 0,2A\)   
  • B.
     \({I_{1\max }} = 0,5A;{I_{1\min }} = 0,3A\)
  • C.
    \({I_{1\max }} = 0,3A;{I_{1\min }} = 0,2A\)    
  • D.
    \({I_{1\max }} = 0,3A;{I_{1\min }} = 0,1A\)

Câu 25 :

Cho mạch điện như hình vẽ, U không đổi. Để đèn sáng mạnh hơn thì phải dịch chuyển con chạy C về phía:

  • A.
    gần M, để chiều dài dây dẫn của biến trở giảm.
  • B.
    gần M, để chiều dài phần dây dẫn có dòng điện chạy qua giảm.
  • C.
    gần M, để hiệu điện thế giữa hai đầu biến trở tăng.
  • D.
    gần M, để hiệu điện thế giữa hai đầu bóng đèn và hai đầu biến trở cùng tăng.

Lời giải và đáp án

Câu 1 :

Biến trở là:

  • A.

    điện trở có thể thay đổi trị số và dùng để điều chỉnh chiều dòng điện trong mạch.

  • B.

    điện trở có thể thay đổi trị số và dùng để điều chỉnh cường độ và chiều dòng điện trong mạch.

  • C.

    điện trở có thể thay đổi trị số và dùng để điều chỉnh cường độ dòng điện trong mạch.

  • D.

    điện trở không thay đổi trị số và dùng để điều chỉnh cường độ dòng điện trong mạch.

Đáp án : C

Lời giải chi tiết :

Biến trở là điện trở có thể thay đổi trị số và dùng để điều chỉnh cường độ dòng điện trong mạch.

Câu 2 :

Hiệu điện thế trong mạch điện có sơ đồ dưới được giữ không đổi. Khi dịch chuyển con chạy của biến trở dần về đầu N thì số chỉ của ampe kế sẽ thay đổi như thế nào?

  • A.

    Giảm dần đi

  • B.

    Tăng dần lên

  • C.

    Không thay đổi

  • D.

    Lúc đầu giảm dần, sau đó tăng dần lên

Đáp án : A

Phương pháp giải :

+ Vận dụng lí thuyết về biến trở

+ Vận dụng biểu thức định luật Ôm: \(I = \frac{U}{R}\)

Lời giải chi tiết :

Khi dịch chuyển con chạy của biến trở dần về đầu N thì điện trở của mạch sẽ tăng lên, mà hiệu điện thế không đổi

=>  Số chỉ ampe kế \({I_A}\) sẽ giảm dần đi

Câu 3 :

Biến trở không có kí hiệu sơ đồ nào dưới đây?

  • A.
  • B.
  • C.
  • D.

Đáp án : B

Lời giải chi tiết :

Hình B không phải là kí hiệu của biến trở

Câu 4 :

Câu phát biểu nào dưới đây là không đúng về biến trở?

  • A.

    Biến trở là điện trở có thể thay đổi trị số

  • B.

    Biến trở là dụng cụ có thể được dùng để thay đổi cường độ dòng điện

  • C.

    Biến trở là dụng cụ có thể được dùng để thay đổi hiệu điện thế giữa hai đầu dụng cụ điện

  • D.

    Biến trở là dụng cụ có thể được dùng để thay đổi chiều dòng điện trong mạch.

Đáp án : D

Lời giải chi tiết :

A, C, B – đúng

D – sai vì: Biến trở là dụng cụ không thể được dùng để thay đổi chiều dòng điện trong mạch

Câu 5 :

Trước khi mắc biến trở vào mạch để điều chỉnh cường độ dòng điện thì cần điều chỉnh biến trở có giá trị nào dưới đây?

  • A.

    Có giá trị 0

  • B.

    Có giá trị nhỏ

  • C.

    Có giá trị lớn

  • D.

    Có giá trị lớn nhất

Đáp án : D

Lời giải chi tiết :

Trước khi mắc biến trở vào mạch để điều chỉnh cường độ dòng điện thì cần điều chỉnh biến trở có giá trị lớn nhất, như vậy cường độ dòng điện qua mạch sẽ nhỏ nhất.

Khi chỉnh biến trở, điện trở của mạch sẽ giảm dần nên cường độ dòng điện trong mạch sẽ tăng dần

=> tránh được hư hỏng thiết bị trong mạch.

Câu 6 :

Trên một biến trở có ghi \(30\Omega  – 2,5{\rm{A}}\). Các số ghi này có ý nghĩa nào dưới đây?

  • A.

    Biến trở có điện trở nhỏ nhất là \(30\Omega \) và chịu được dòng điện có cường độ nhỏ nhất là \(2,5{\rm{A}}\)

  • B.

    Biến trở có điện trở nhỏ nhất là \(30\Omega \) và chịu được dòng điện có cường độ lớn nhất là \(2,5{\rm{A}}\)

  • C.

    Biến trở có điện trở lớn nhất là \(30\Omega \) và chịu được dòng điện có cường độ lớn nhất là \(2,5{\rm{A}}\)

  • D.

    Biến trở có điện trở lớn nhất là \(30\Omega \) và chịu được dòng điện có cường độ nhỏ nhất là \(2,5{\rm{A}}\)

Đáp án : C

Lời giải chi tiết :

Các thông số ghi trên biến trở có nghĩa là: Biến trở có điện trở lớn nhất là \(30\Omega \) và chịu được dòng điện có cường độ lớn nhất là \(2,5{\rm{A}}\)

Câu 7 :

Cho mạch điện như hình vẽ:

Đóng khóa K rồi dịch chuyển con chạy trên biến trở. Đề đèn sáng mạnh nhất thì phải dịch chuyển con chạy của biến trở đến vị trí nào?

  • A.

    Điểm M

  • B.

    Điểm N

  • C.

    Trung điểm của MN

  • D.

    Đèn luôn sáng bình thường

Đáp án : A

Phương pháp giải :

+ Sử dụng lí thuyết về biến trở

+ Vận dụng kiến thức về cường độ sáng của đèn

Lời giải chi tiết :

Ta có, để đèn sáng mạnh nhất thì phải dịch chuyển con chạy của biến trở tới vị trí M

Vì khi đó điện trở của biến trở bằng 0, biến trở được coi như một dây dẫn bình thường => cường độ dòng điện trong mạch cực đại => đèn sáng mạnh nhất

Câu 8 :

Điện trở dùng trong kĩ thuật thường có trị số:

  • A.

    Rất lớn

  • B.

    Rất nhỏ

  • C.

    Cỡ vài chục ôm

  • D.

    Có thể lên tới 100 ôm

Đáp án : A

Lời giải chi tiết :

Điện trở dùng trong kĩ thuật thường có trị số rất lớn, có thể lên tới vài trăm mêgaom

Câu 9 :

Trong kĩ thuật, chẳng hạn trong các mạch điện của rađio, tivi, … người ta cần sử dụng các điện trở có kích thước nhỏ với các trị số khác nhau, có thể lên tới vài trăm megaom. Các điện trở này được chế tạo bằng một lớp than hay lớp kim loại mỏng phủ ngoài một lớp cách điện (thường bằng sứ). Phương án nào sau đây giải thích được vì sao lớp than hay lớp kim loại đó lại có điện trở lớn.

  • A.

    Vì khối này như một điện trở có bề dày lớn

  • B.

    Vì khối này như một điện trở có tiết diện S rất nhỏ

  • C.

    Vì khối này như một điện trở có tiết diện S lớn

  • D.

    Vì khối này như một điện trở có chiều dài rất lớn

Đáp án : B

Phương pháp giải :

+ Vận dụng lí thuyết về dẫn điện

+ Vận dụng biểu thức xác định điện trở: \(R = \rho \frac{l}{S}\)

Lời giải chi tiết :

Ta có:

Than hay lớp kim loại là chất dẫn điện, nếu lớp than hay lớp kim loại mỏng phủ ngoài một lớp cách điện thì chỉ có lớp mỏng này dẫn điện, lõi sứ bên trong không dẫn điện.

Vì vậy khối này giống như một điện trở có tiết diện S rất nhỏ. Bề dày của lớp than hay kim loại này càng mỏng thì tiết diện S càng nhỏ.

Mà điện trở: \(R = \rho \frac{l}{S}\) tỉ lệ nghịch với S nên điện trở R rất lớn.

Câu 10 :

Điện trở dùng trong kĩ thuật được chế tạo bằng:

  • A.

    Lớp natri hoặc lớp kim loại mỏng phủ ngoài một lớp cách điện

  • B.

    Lớp natri hoặc lớp kim loại mỏng phủ ngoài một lớp dẫn điện

  • C.

    Lớp chì hoặc lớp kim loại mỏng phủ ngoài một lớp cách điện

  • D.

    Lớp chì hoặc lớp kim loại mỏng phủ ngoài một lớp dẫn điện

Đáp án : C

Lời giải chi tiết :

Điện trở dùng trong kĩ thuật được chế tạo bằng lớp chì hoặc lớp kim loại mỏng phủ ngoài một lớp cách điện

Câu 11 :

Một biến trở con chạy có điện trở lớn nhất là \(20\Omega \). Dây điện trở của biến trở là hợp kim nicrom có điện trở suất \(1,{1.10^{ – 6}}\Omega .m\) và tiết diện \(0,5m{m^2}\) và được quấn đều xung quang một lõi sứ tròn đường kính \(1,5cm\). Số vòng dây của biến trở này là:

  • A.

    260 vòng

  • B.

    193 vòng

  • C.

    326 vòng

  • D.

    186 vòng

Đáp án : B

Phương pháp giải :

+ Sử dụng biểu thức tính điện trở: \(R = \rho \frac{l}{S}\)

+ Số vòng dây: \(n = \frac{l}{{2\pi r}}\)

Lời giải chi tiết :

Ta có:

+ Chiều dài dây điện trở: \(R = \rho \frac{l}{S} \to l = \frac{{R{\rm{S}}}}{\rho } = \frac{{20.0,{{5.10}^{ – 6}}}}{{1,{{1.10}^{ – 6}}}} = 9,1m\)

+ Số vòng dây của biến trở: \(n = \frac{l}{{2\pi r}} = \frac{l}{{\pi d}} = \frac{{9,1}}{{\pi {{.1,5.10}^{ – 2}}}} = 193\) vòng

Câu 12 :

Cầm làm một biến trở có điện trở lớn nhất là \(50\Omega \) bằng dây dẫn Niken có điện trở suất  \(0,{4.10^{ – 6}}\Omega .m\) và có tiết diện \(0,5m{m^2}\). Chiều dài của dây dẫn có giá trị là:

  • A.

    62,5m

  • B.

    37,5m

  • C.

    40m

  • D.

    10m

Đáp án : A

Phương pháp giải :

Sử dụng biểu thức tính điện trở: \(R = \rho \frac{l}{S}\)

Lời giải chi tiết :

Ta có: \(R = \rho \frac{l}{S} \to l = \frac{{R{\rm{S}}}}{\rho } = \frac{{50.0,{{5.10}^{ – 6}}}}{{0,{{4.10}^{ – 6}}}} = 62,5m\)

Câu 13 :

Trên một biến trở con chạy có ghi \(60\Omega  – 2{\rm{A}}\). Hiệu điện thế lớn nhất được phép đặt lên hai đầu cuộn dây của biến trở là:

  • A.

    \(30V\)

  • B.

    \(60V\)

  • C.

    \(80V\)

  • D.

    \(120V\)

Đáp án : D

Phương pháp giải :

+ Cách đọc các thông số trên biến trở

+ Sử dụng biểu thức tính hiệu điện thế: \(U = {\rm{IR}}\)

Lời giải chi tiết :

+ Các số chỉ trên biến trở cho biết biến trở có điện trở tối đa là \(60\Omega \) và cường độ dòng điện tối đa có thể chạy qua biến trở là \({I_{{\rm{max}}}} = 2A\)

+ Hiệu điện thế lớn nhất có thể được đặt ở hai đầu cuộn dây là: \({U_{{\rm{max}}}} = {I_{{\rm{max}}}}R = 2.60 = 120V\)

Câu 14 :

Cuộn dây dẫn một biến trở con chạy được làm bằng hợp kim niken có điện trở suất \(0,{4.10^{ – 6}}\Omega .m\), có tiết diện đều là \(0,6m{m^2}\) và gồm 500 vòng quấn quanh lõi sứ trụ tròn có đường kính 4cm. Điện trở lớn nhất của biến trở này là:

  • A.

    \(62,8\Omega \)

  • B.

    \({\rm{41,9}}\Omega \)

  • C.

    \({\rm{26}}\Omega \)

  • D.

    \(52,2\Omega \)

Đáp án : B

Phương pháp giải :

+ Vận dụng biểu thức số vòng dây tính chiều dài của dây dẫn: \(n = \frac{l}{{2\pi r}} = \frac{l}{{\pi d}}\)

+ Áp dụng biểu thức tính điện trở: \(R = \rho \frac{l}{S}\)

+ Áp dụng biểu thức định luật Ôm: \(I = \frac{U}{R}\)

Lời giải chi tiết :

+ Chiều dài của dây quấn là: \(l = n.\pi d = 500.\pi {.4.10^{ – 2}} = 20\pi {\rm{ m}}\)

+ Điện trở lớn nhất của biến trở này là: \({R_{{\rm{max}}}} = \rho \frac{l}{S} = 0,{4.10^{ – 6}}\frac{{20\pi }}{{0,{{6.10}^{ – 6}}}} = 41,9\Omega \)

Câu 15 :

Cho mạch điện có sơ đồ như hình sau:

Trong đó, hiệu điện thế giữa hai điểm A và B được giữ không đổi và đèn sáng bình thường khi biến trở có điện trở bằng 0. Câu phát biểu nào sau đây là đúng?

  • A.

    Đèn sáng mạnh lên khi di chuyển con chạy của biến trở về đầu M

  • B.

    Đèn sáng yếu hơn khi di chuyển con chạy của biến trở về đầu M

  • C.

    Đèn sáng mạnh lên khi di chuyển con chạy của biến trở về đầu N

  • D.

    Cả ba phương án trên đều không đúng

Đáp án : A

Phương pháp giải :

Vận dụng lí thuyết về độ sáng – tối của đèn và di chuyển vị trí của biến trở

Lời giải chi tiết :

Khi di chuyển con chạy về đầu M, điện trở của biến trở giảm => cường độ dòng điện trong mạch tăng

=> đèn sáng mạnh hơn

Câu 16 :

Trong mạch điện có sơ đồ như sau:

Nguồn điện có hiệu điện thế không đổi là 12V, điện trở mạch ngoài \(R = 12\Omega \). Phải điều chỉnh biến trở có điện trở là bao nhiêu để vôn kế chỉ 3V?

  • A.

    \(12\Omega \)

  • B.

    \(24\Omega \)

  • C.

    \(36\Omega \)

  • D.

    \(34\Omega \)

Đáp án : C

Phương pháp giải :

+ Sử dụng biểu thức định luật Ôm: \(I = \frac{U}{R}\)

+ Sử dụng biểu thức tính hiệu điện thế trong đoạn mạch mắc nối tiếp: \(U = {U_1} + {U_2}\)

Lời giải chi tiết :

Khi số chỉ vôn kế là 3V thì số chỉ ampe kế sẽ là: \({I_A} = \frac{{{U_V}}}{R} = \frac{3}{{12}} = 0,25{\rm{A}}\)

Hiệu điện thế giữa hai đầu biến trở khi đó: \({U_b} = U – {U_V} = 12 – 3 = 9V\)

Điện trở của biến trở khi đó là: \({R_b} = \frac{{{U_b}}}{I} = \frac{9}{{0,25}} = 36\Omega \)

 

Câu 17 :

Một bóng đèn có hiệu điện thế định mức 3V và cường độ dòng điện định mức 0,4A được mắc với một biến trở con chạy để sử dụng với nguồn điện có hiệu điện thế không đổi 12V.

Câu 17.1

Đèn và biến trở phải mắc với nhau như thế nào để đèn có thể sáng bình thường? Biến trở phải có giá trị là bao nhiêu để đèn sáng bình thường?

  • A

    Mắc nối tiếp và \({R_b} = 22,5\Omega \)

  • B

    Mắc song song và \({R_b} = 22,5\Omega \)

  • C

    Mắc nối tiếp và \({R_b} = 30\Omega \)

  • D

    Mắc song song và \({R_b} = 30\Omega \)

Đáp án: A

Phương pháp giải :

+ Sử dụng các biểu thức về đoạn mạch mắc nối tiếp và song song

+ Sử dụng biểu thức tính điện trở: \(R = \frac{U}{I}\)

Lời giải chi tiết :

+ Để đèn sáng bình thường thì hiệu điện thế giữa 2 đầu đèn phải là 3V

Do đó, biến trở phải được mắc nối tiếp với đèn

+ Khi đèn sáng bình thường thì : \(I = {I_D} = 0,4{\rm{A}}\)

Điện trở của đèn là : \({R_D} = \frac{{{U_D}}}{{{I_D}}} = \frac{3}{{0,4}} = 7,5\Omega \)

Điện trở tương đương của toàn mạch: \({{\rm{R}}_{t{\rm{d}}}} = \frac{U}{I} = \frac{{12}}{{0,4}} = 30\Omega \)

Điện trở của biến trở khi đó sẽ là: \({R_b} = {R_{t{\rm{d}}}} – {R_D} = 30 – 7,5 = 22,5\Omega \)

Câu 17.2

Nếu biến trở có điện trở lớn nhất là \(40\Omega \) thì khi đèn sáng bình thường dòng điện chạy qua bao nhiêu % tổng số vòng dây của biến trở?

  • A

    40%

  • B

    27,9%

  • C

    59,375%

  • D

    56,25%

Đáp án: D

Lời giải chi tiết :

Vì điện trở của biến trở tỉ lệ với số vòng quấn biến trở nên khi đèn sáng bình thường thì số % vòng dây của biến trở có dòng điện chạy qua là:

\(\frac{{22,5}}{{40}}.100\%  = 56,25\% \)       

Câu 18 :

Một bóng đèn có hiệu điện thế định mức là 3V và khi ra sáng bình thường thì dòng điện qua đèn có cường độ là 0,32A. Mắc bóng đèn này nối tiếp với biến trở rồi mắc vào hiệu điện thế không đổi 12V. Hỏi biến trở này phải có giá trị là bao nhiêu để đèn có thể sáng bình thường?

  • A.
    \(37,5\Omega \)
  • B.
    \(9,375\Omega \) 
  • C.
    \(28,125\Omega \) 
  • D.
    \(18,125\Omega \)

Đáp án : C

Phương pháp giải :

Mạch mắc nối tiếp: \(\left\{ \begin{array}{l}I = {I_1} = {I_2}\\U = {U_1} + {U_2}\\R = {R_1} + {R_2}\end{array} \right.\)

Để đèn sáng bình thường thì \(\left\{ \begin{array}{l}{I_D} = {I_{Ddm}}\\{U_D} = {U_{Ddm}}\end{array} \right.\)

Lời giải chi tiết :

Vì bóng đèn nối tiếp với biến trở nên để đèn sáng bình thường thì cường độ dòng điện qua mạch phải bằng: \(\left\{ \begin{array}{l}I = {I_{Ddm}} = 0,32A\\{U_D} = {U_{Ddm}} = 3V\end{array} \right.\)

Điện trở tương đương toàn mạch: \({R_{td}}\; = \dfrac{U}{I} = \dfrac{{12}}{{0,32}} = 37,5\Omega \)

Điện trở của bóng đèn: \({R_D}\; = \dfrac{{{U_D}}}{{{I_D}}}\; = \dfrac{3}{{0,32}} = 9,375\Omega \)

Điện trở của biến trở là: \({R_b}\; = {R_{td}}–{R_D}\; = 37,5–9,375 = 28,125\Omega \)

Câu 19 :

Hiệu điện thế U trong mạch điện có sơ đồ như hình vẽ được giữ không đổi. Khi dịch chuyển con chạy của biến trở tiến dần về đầu N thì số chỉ của ampe kế sẽ thay đổi như thế nào?

  • A.
    Giảm dần đi     
  • B.
    Tăng dần lên.
  • C.
    Không thay đổi. 
  • D.
    Lúc đầu giảm dần đi, sau đó tăng dần lên.

Đáp án : A

Phương pháp giải :

Công thức tính điện trở: \(R = \dfrac{{\rho l}}{S}\)

Định luật Ôm: \(I = \dfrac{U}{R}\)

Đèn sáng mạnh lên khi cường độ dòng điện chạy qua đèn tăng và ngược lại.

Lời giải chi tiết :

Mạch gồm: \({R_b}\,\,nt\,{R_D}\)

Điện trở của biến trở: \({R_b} = \dfrac{{\rho l}}{S}\)

Chiều dòng điện đi từ cực (+) qua dây dẫn, thiết bị điện rồi về cực (-) của nguồn điện. Khi con chạy tiến dần về đầu N chiều dài của biến trở tăng dần làm cho điện trở của dây dẫn tăng dần, kéo theo điện trở tương đương của toàn mạch tăng dần.

Cường độ dòng điện chạy qua đèn là: \({I_D} = {I_b} = \dfrac{U}{{{R_b}\, + {R_D}}}\)

U không đổi, điện trở tương đương của toàn mạch tăng thì số chỉ của ampe kế sẽ giảm dần đi.

Câu 20 :

Trong mạch điện có sơ đồ vẽ ở hình vẽ, nguồn điện có hiệu điện thế không đổi 12V

 

a) Điều chỉnh con chạy của biến trở để vôn kế chỉ 6V thì ampe kế chỉ 0,5A. Hỏi khi đó biến trở có điện trở là bao nhiêu?

b) Phải điều chỉnh biến trở có điện trở là bao nhiêu để vôn kế chỉ 4,5V?

  • A.
    \({R_b} = 15\Omega ;{R_b}’ = 22\Omega \)   
  • B.
    \({R_b} = 20\Omega ;{R_b}’ = 12\Omega \)     
  • C.
    \({R_b} = 12\Omega ;{R_b}’ = 20\Omega \)  
  • D.
    \({R_b} = 22\Omega ;{R_b}’ = 15\Omega \)

Đáp án : C

Phương pháp giải :

Công thức của mạch mắc nối tiếp: \(\left\{ \begin{array}{l}I = {I_1} = {I_2}\\U = {U_1} + {U_2}\\{R_{td}} = {R_1} + {R_2}\end{array} \right.\)

Định luật Ôm: \(I = \dfrac{U}{R} \Rightarrow R = \dfrac{U}{I}\)

Lời giải chi tiết :

Mạch gồm \({R_b}\,\,nt\,\,R\)

a) Vôn kế đo hiệu điện thế giữa hai đầu điện trở R: \({U_V}\; = {U_R}\; = 6V\)

Ampe kế đo cường độ dòng điện toàn mạch: \({I_A} = I = 0,5A\)

Mạch gồm \({R_b}\,\,nt\,\,R \Rightarrow \left\{ \begin{array}{l}{I_b}\; = I = {I_R}\; = {I_A} = 0,5A\\{U_b}\; + {\rm{ }}{U_R}\; = U \Rightarrow {U_b}\; = U-{U_R}{\rm{ = }}6V\end{array} \right.\)

Điện trở của biến trở là: \({R_b} = \dfrac{{{U_b}}}{{{I_b}}} = \dfrac{6}{{0,5}} = 12\Omega \)

b) Giá trị của R là: \(R = \dfrac{{{U_R}}}{{{I_R}}} = \dfrac{6}{{0,5}} = 12\Omega \)

 Khi điều chỉnh biến trở để vôn kế chỉ \({U_V}’ = {U_R}’ = 4,5V\), thì cường độ dòng điện qua biến trở lúc này là:

\({I_b}’ = {I_R}’ = \dfrac{{{U_R}’}}{R} = \dfrac{{4,5}}{{12}} = 0,375A\)

Hiệu điện thế giữa hai đầu biến trở lúc này là:

\({U_b}\;’ = U-{U_R}’ = 12-4,5 = 7,5V\)

Giá trị của biến trở: \({R_b}’ = \dfrac{{{U_b}’}}{{{I_b}’}} = \dfrac{{7,5}}{{0,375}} = 20\Omega \)

Câu 21 :

Cuộn dây của một biến trở con chạy được làm bằng hợp kim Nikêlin có điện trở suất \(0,{40.10^{ – 6}}\Omega .m\), có tiết diện đều là 0,6mm2 và gồm 500 vòng quấn thành một lớp quanh lõi sứ trụ tròn đường kính 4cm. Hiệu điện thế lớn nhất được phép đặt lên hai đầu cuộn dây cảu biến trở là 67V. Hỏi biến trở này chịu được dòng điện có cường độ lớn nhất là bao nhiêu?

  • A.
    \({I_{\max }} = 1,6A\) 
  • B.
    \({I_{\max }} = 1,675A\)       
  • C.
    \({I_{\max }} = 1,3A\)    
  • D.
    \({I_{\max }} = 1,34A\)

Đáp án : A

Phương pháp giải :

Chu vi của đường tròn: \(C = 2\pi R = \pi d\)

Chiều dài của dây dẫn khi quấn N vòng quanh lõi sứ: \(l = N.C\)

Công thức tính điện trở: \(R = \dfrac{{\rho l}}{S}\)

Định luật Ôm: \(I = \dfrac{U}{R}\)

Lời giải chi tiết :

+  Chiều dài của 1 vòng dây quấn quanh lõi sứ trụ tròn là:

\(C = 2\pi R = \pi d = 3,14.0,04 = 0,1256m\)

Chiều dài của 500 vòng dây quấn là:

\(l = N.C = 500.0,1256 = 62,8m\)

→ Điện trở lớn nhất của biến trở là: \({R_{\max }} = \dfrac{{\rho l}}{S} = \dfrac{{0,{{40.10}^{ – 6}}.62,8}}{{0,{{6.10}^{ – 6}}}} = 41,9\Omega \)

+ Biến trở chịu được dòng điện có cường độ lớn nhất là:

\({I_{\max }} = \dfrac{{{U_{\max }}}}{{{R_{\max }}}} = \dfrac{{67}}{{41,9}} = 1,6A\)

Câu 22 :

Trên một biến trở con chạy có ghi 50Ω – 2,5A. Biến trở được làm bằng dây hợp kim nicrom có điện trở suất 1,10.10-6Ω.m và có chiều dài 50m. Tính tiết diện của dây dẫn dùng để làm biến trở.

  • A.
    \(1,1{m^2}\)  
  • B.
    \(1,1m{m^2}\) 
  • C.
    \(1,5m{m^2}\) 
  • D.
    \(1,5{m^2}\)

Đáp án : B

Phương pháp giải :

Công thức tính điện trở: \(R = \dfrac{{\rho l}}{S}\)

Lời giải chi tiết :

Ta có: \(R = \dfrac{{\rho l}}{S} \Rightarrow S = \dfrac{{\rho l}}{R}\)

Thay số ta được: \(S = \dfrac{{1,{{10.10}^{ – 6}}.50}}{{50}} = 1,{10.10^{ – 6}}{m^2} = 1,1m{m^2}\)

Câu 23 :

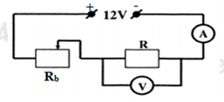
Cho mạch điện gồm R1  = 3Ω và biến trở R2 được mắc song song nhau. Đặt vào hai đầu đoạn mạch một hiệu điện thế không đổi U = 8V.

a) Biết R2 = 6Ω, tính điện trở tương đương của đoạn mạch

b) Điều chỉnh biến trở R2 để cường độ dòng điện qua mạch là 5A. Tính giá trị điện trở của biến trở tham gia vào mạch khi đó?

  • A.
    \(2\Omega ;\dfrac{{24}}{7}\Omega \)   
  • B.
    \(2\Omega ;\dfrac{7}{{24}}\Omega \)
  • C.
    \(9\Omega ;7\Omega \)
  • D.
    \(9\Omega ;24\Omega \)

Đáp án : A

Phương pháp giải :

a) Điện trở tương đương của đoạn mạch song song:  \(\dfrac{1}{{{R_{td}}}} = \dfrac{1}{{{R_1}}} + \dfrac{1}{{{R_2}}}\)

b) Áp dụng công thức định luật Ôm: \(I = \dfrac{U}{{{R_{t{\rm{d}}}}}}\)

Lời giải chi tiết :

Tóm tắt:

\(\begin{array}{*{20}{l}}{{R_1}\; = 3\Omega //{\rm{ }}{R_2};U = 8V}\\{a){\rm{ }}{R_2}\; = 6\Omega ;{R_{td}} = ?}\\{b){\rm{ }}I = \;5A;{\rm{ }}{R_2}{\rm{‘}} = ?}\end{array}\)

Bài giải:

a) Áp dụng công thức tính điện trở tương đương của đoạn mạch song song.

\(\dfrac{1}{{{R_{td}}}} = \dfrac{1}{{{R_1}}} + \dfrac{1}{{{R_2}}} = \dfrac{1}{3} + \dfrac{1}{6} = \dfrac{1}{2} \Rightarrow {R_{td}} = 2(\Omega )\)

b) Áp dụng công thức định luật Ôm

\(I = \dfrac{U}{{{R_{td}}’}} \Rightarrow {R_{td}}’ = \dfrac{U}{I} = \dfrac{8}{5} = 1,6(\Omega )\)

Áp dụng công thức tính điện trở tương đương của đoạn mạch song song ta có:

\(\dfrac{1}{{{R_{td}}}} = \dfrac{1}{{{R_1}}} + \dfrac{1}{{{R_2}’}} \Rightarrow \dfrac{1}{{{R_2}’}} = \dfrac{1}{{{R_{td}}}} – \dfrac{1}{{{R_1}}} = \dfrac{1}{{1,6}} – \dfrac{1}{3} = \dfrac{7}{{24}} \Rightarrow {R_2}’ = \dfrac{{24}}{7}\Omega \)

Câu 24 :

Một biến trở Rb có giá trị lớn nhất là 30Ω được mắc với hai điện trở R1 = 15Ω và R2 = 10Ω thành hai đoạn mạch có sơ đồ như hình vẽ, trong đó hiệu điện thế không đổi U = 4,5V. Hỏi khi điều chỉnh biến trở thì cường độ dòng điện chạy qua biến trở R1 có giá trị lớn nhất Imax và nhỏ nhất Imin là bao nhiêu?

  • A.
    \({I_{1\max }} = 0,5A;{I_{1\min }} = 0,2A\)   
  • B.
     \({I_{1\max }} = 0,5A;{I_{1\min }} = 0,3A\)
  • C.
    \({I_{1\max }} = 0,3A;{I_{1\min }} = 0,2A\)    
  • D.
    \({I_{1\max }} = 0,3A;{I_{1\min }} = 0,1A\)

Đáp án : C

Phương pháp giải :

Công thức tính điện trở của mạch nối tiếp và song song: \(\left\{ \begin{array}{l}{R_{nt}} = {R_1} + {R_2}\\{R_{//}} = \dfrac{{{R_1}{R_2}}}{{{R_1} + {R_2}}}\end{array} \right.\)

Cường độ dòng điện chạy trong mạch: \(I = \dfrac{U}{{{R_{td}}}} \Rightarrow \left\{ \begin{array}{l}{I_{\max }} \Leftrightarrow {R_{td\min }}\\{I_{\min }} \Leftrightarrow {R_{td\max }}\end{array} \right.\)

Lời giải chi tiết :

Tóm tắt:

\(\begin{array}{*{20}{l}}{{R_{bmax}}\; = 30\Omega ;{R_1}\; = 15\Omega ;{R_2}\; = 10\Omega ;U = 4,5V}\\{{I_{1max}}\; = ?;{\rm{ }}{I_{1min}}\; = ?}\end{array}\)

Cách giải:

Mạch điện gồm \({R_1}\,nt\,\left( {{R_2}//{R_b}} \right)\)

Điện trở tương đương của cụm đoạn mạch (R2 // Rb) là: \({R_{2b}}\, = \dfrac{{{R_2}{R_b}}}{{{R_2} + {R_b}}}\)

Điện trở tương đương toàn mạch: \({R_{td}}\; = {R_1}\; + {R_{2b}} = {R_1} + \dfrac{{{R_2}{R_b}}}{{{R_2} + {R_b}}}\)

Cường độ dòng điện chạy qua R1: \({I_1} = I = \dfrac{U}{{{R_{td}}\;}} = \dfrac{U}{{{R_1} + \dfrac{{{R_2}{R_b}}}{{{R_2} + {R_b}}}}}\)

+ Để \({I_{1\max }} \Leftrightarrow {R_{td\min }} \Leftrightarrow {R_{2b\min }} \Leftrightarrow {R_{b\min }} = 0 \Rightarrow {I_{1\max }} = \dfrac{U}{{{R_1}}} = \dfrac{{4,5}}{{15}} = 0,3A\)

+ Để \({I_{1\min }} \Leftrightarrow {R_{td\max }} \Leftrightarrow {R_{2b\max }} \Leftrightarrow {R_{b\max }} = 30\Omega \)

\(\begin{array}{l} \Rightarrow {R_{2b}}\, = \dfrac{{{R_2}{R_{b\max }}}}{{{R_2} + {R_{b\max }}}} = \dfrac{{10.30}}{{10 + 30}} = 7,5\Omega \\ \Rightarrow {I_{1\min }} = \dfrac{U}{{{R_1} + {R_{2b}}}} = \dfrac{{4,5}}{{15 + 7,5}} = 0,2A\end{array}\)

Câu 25 :

Cho mạch điện như hình vẽ, U không đổi. Để đèn sáng mạnh hơn thì phải dịch chuyển con chạy C về phía:

  • A.
    gần M, để chiều dài dây dẫn của biến trở giảm.
  • B.
    gần M, để chiều dài phần dây dẫn có dòng điện chạy qua giảm.
  • C.
    gần M, để hiệu điện thế giữa hai đầu biến trở tăng.
  • D.
    gần M, để hiệu điện thế giữa hai đầu bóng đèn và hai đầu biến trở cùng tăng.

Đáp án : B

Phương pháp giải :

+ Điện trở của dây dẫn: \(R = \dfrac{{\rho l}}{S}\)

+ Định luật Ôm: \(I = \dfrac{U}{R}\)

+ Đèn sáng mạnh hơn khi cường độ dòng điện chạy qua đèn tăng.

Lời giải chi tiết :

Mạch điện gồm: Đèn nối tiếp với biến trở nên: \({I_D} = {I_b}\)

→ Khi cường độ dòng điện chạy qua biến trở tăng thì cường độ dòng điện qua đèn cũng tăng và đèn sáng mạnh hơn.

Mà \({I_b} \uparrow  \Leftrightarrow {R_b} \downarrow \)

Lại có: \({R_b} = \dfrac{{\rho l}}{S} \Rightarrow {R_b} \downarrow  \Leftrightarrow l \downarrow \)

→ Dịch chuyển con chạy C về phía M.

TẢI APP ĐỂ XEM OFFLINE