6. Đề thi học kì 2 – Đề số 5

Đề bài

Trắc nghiệm nhiều đáp án
Câu 1 :

Điện tích của một electron có giá trị bằng bao nhiêu?

  • A.
    1,6.10-19 C.                
  • B.
    -1,6.10-19 C.      
  • C.
    3,2.10-19 C.                 
  • D.
    -3,2.10-19 C.
Câu 2 :

Thông thường sau khi sử dụng khăn lông để lau mắt kính ta thấy sẽ có một vài mảnh vụn của lông tơ còn bám lại trên kính, đó là hiện tượng nhiễm điện do

  • A.
    hưởng ứng.                
  • B.
    tiếp xúc.           
  • C.
    cọ xát.              
  • D.
    khác cấu tạo vật chất.
Câu 3 :

 Đơn vị của cường độ điện trường là

  • A.
    V/m, C/N.                  
  • B.
    V.m, N.C.                  
  • C.
    V/m, N/C.                  
  • D.
    V.m, C/N.
Câu 4 :

 Những phát biểu nào sau đây là đúng?

(1) Cường độ điện trường do điện tích điểm gây ra tại một điểm phụ thuộc vào độ lớn điện tích thử đặt tại điểm đó.

(2) Vectơ cường độ điện trường tại mỗi điểm cùng chiều với lực tác dụng lên điện tích thử dương tại điểm đó.

(3) Cường độ điện trường tại một điểm đặc trưng cho tác dụng lực của điện trường tại điểm đó.

(4) Các đường sức của cùng một điện trường có thể cắt nhau.

(5) Điện trường do điện tích âm gây ra trong không gian là điện trường đều.

  • A.
    2, 4 .
  • B.
    1, 3 .
  • C.
    2, 3 .
  • D.
    3, 4 .
Câu 5 :

Công của lực điện tác dụng lên một điện tích

  • A.
    phụ thuộc vào hình dạng đường đi của điện tích.
  • B.
    không phụ thuộc vào hình dạng đường đi của điện tích.
  • C.
    chỉ phụ thuộc vào độ lớn điện tích.
  • D.
    chỉ phụ thuộc vào cường độ điện trường.
Câu 6 :

Có bao nhiêu phát biểu sau đây là không chính xác?

(1) Công của lực điện bằng độ giảm thế năng điện.

(2) Lực điện thực hiện công dương thì thế năng điện tăng.

(3) Công của lực điện không phụ thuộc vào độ lớn cường độ điện trường.

(4) Công của lực điện khác 0 khi điện tích dịch chuyển giữa hai điểm khác nhau trên một đường vuông góc với đường sức điện của điện trường đều.

  • A.
    1                      
  • B.
    2                       
  • C.
    3                       
  • D.
    4
Câu 7 :

 Đại lượng nào đặc trưng cho khả năng tích điện của tụ điện?

  • A.
    Hiệu điện thế giữa hai bản tụ.                  
  • B.
    Hằng số điện môi.
  • C.
    Cường độ điện trường bên trong tụ.
  • D.
    Điện dung của tụ điện.
Câu 8 :

 Ghép nối tiếp hai tụ điện có điện dung lần lượt là C1 và C2 (với C1>C2) thành một bộ tụ có điện dung C. Sắp xếp đúng là

  • A.
     C<C2<C1
  • B.
     C<C1<C2
  • C.
     C2<C<C1
  • D.
     C2<C1<C
Câu 9 :

Năng lượng của tụ điện được xác định bởi công nào nào sau đây?

  • A.
    \(W = \frac{1}{2}Q{U^2}\)
  • B.
    \(W = \frac{1}{2}CU\)
  • C.
    \(W = C{U^2}\)
  • D.
    \(W = \frac{1}{2}\frac{{{Q^2}}}{C}\)
Câu 10 :

Trong các thiết bị sau, thiết bị nào không sử dụng tụ điện?

  • A.
    Máy khử rung tim.
  • B.
    Khối tách sóng trong máy thu thanh AM.
  • C.
    Pin dự phòng.
  • D.
    Tuabin nước.
Câu 11 :

Một proton và một electron đang bay theo phương ngang, cùng vận tốc dọc theo hướng từ tây sang đông tương ứng với hai dòng điện

  • A.
    cùng chiều từ tây sang đông.         
  • B.
    ngược chiều và khác độ lớn dòng điện.
  • C.
    cùng chiều từ đông sang tây.         
  • D.
    ngược chiều và cùng độ lớn dòng điện.
Câu 12 :

Quả cầu kim loại A tích điện dương, quả cầu kim loại B tích điện âm. Nối hai quả cầu bằng một dây đồng thì sẽ có

  • A.
    dòng electron chuyển từ B qua A.           
  • B.
    dòng electron chuyễn từ A qua B.
  • C.
    dòng proton chuyển từ B qua A.              
  • D.
    dòng proton chuyển từ A qua B.
Câu 13 :

 Hai pin giống nhau ghép song song với nhau thành bộ thì

  • A.
    suất điện động của bộ pin luôn nhỏ hơn suất điện động mỗi pin.
  • B.
    suất điện động của bộ pin luôn lớn hơn suất điện động của mỗi pin.
  • C.
    điện trở trong của bộ pin luôn nhỏ hơn điện trở trong của mỗi pin.
  • D.
    điện trở trong của bộ pin luôn lớn hơn điện trở trong của mỗi pin.
Câu 14 :

 Một pin sau một thời gian đem sử dụng thì

  • A.
    suất điện động và điện trở trong của pin đều tăng.
  • B.
    suất điện động và điện trở trong của pin đều giảm.
  • C.
    suất điện động của pin tăng và điện trở trong của pin giảm.
  • D.
    suất điện động của pin giảm và điện trở trong của pin tăng.
Câu 15 :

 So sánh đèn sợi đốt và điện trở nhiệt thuận. Phát biểu nào sau đây là đúng?

  • A.
    Điện trở của cả hai đều tăng nhanh theo nhiệt độ.
  • B.
    Điện trở của cả hai đều tăng chậm theo nhiệt độ.
  • C.
    Điện trở đèn sợi đốt tăng nhanh hơn so với điện trở nhiệt thuận.
  • D.
    Điện trở đèn sợi đốt tăng chậm hơn so với điện trở nhiệt thuận.
Câu 16 :

 Điện trở của một đèn sợi đốt tăng theo nhiệt độ vì

  • A.
    mật độ electron dẫn giảm.
  • B.
    mật độ electron dẫn tăng.
  • C.
    sự tán xạ với các electron dẫn bởi ion ở nút mạng tăng.
  • D.
    sự tán xạ với các electron dẫn bởi ion ở nủt mạng giảm.
Câu 17 :

 Đặt hiệu điện thế 12 V vào hai đầu đoạn mạch. Năng lượng điện mà đoạn mạch đã tiêu thụ khi có điện lượng 150 C chuyển qua mạch bằng

  • A.
    1800 J.             
  • B.
    12,5 J.              
  • C.
    170 J.               
  • D.
    138 J.
Câu 18 :

 Đặt một hiệu điện thế không đổi vào hai đầu một biến trở R. Điều chỉnh giá trị R và đo công suất toả nhiệt P trên biến trở. Chọn phát biểu đúng.

  • A.
     P tỉ lệ với R.                                
  • B.
     P tỉ lệ với R2
  • C.
     P tỉ lệ nghịch với R.                     
  • D.
     P tỉ lệ nghịch với R2.
Trắc nghiệm đúng/sai
Câu 1 : Con hãy tích vào ô đúng hoặc sai cho mỗi câu (khẳng định) dưới đây.

Trong một số bàn phím máy tính, mỗi nút bấm được gắn với một tụ điện phẳng hai bản song song (có mô hình minh hoạ như Hình 14.2).

Khi giá trị điện dung của tụ điện thay đổi, máy tính sẽ ghi nhận tín hiệu tương ứng với kí tự trên bàn phím. Bản kim loại phía trên của tụ được gắn chặt với nút bấm và có thể di chuyển mỗi khi nhấn nút. Tụ điện nói trên được nối với mạch điện ngoài nên hiệu điện thế giữa hai bản tụ được duy trì ở một giá trị không đổi U=5 V. Trước khi gõ phím, khoảng cách giữa hai bản tụ là 2 mm, khi đó tụ điện có điện dung là 0,81 pF. Biết rằng điện dung của tụ tỉ lệ nghịch với khoảng cách giữa hai bản tụ. Khi gõ nút bấm đi xuống một đoạn 1,5 mm thì

a) Điện tích của tụ điện trước khi gõ là: \({Q_1} \approx 5,{05.10^{ – 12}}{\rm{C}}\)

Đúng
Sai

b) Gọi điện dung của tụ điện sau khi gõ là C2. Vì điện dung của tụ điện tỉ lệ nghịch với khoảng cách giữa hai bản tụ nên: \(\frac{{{C_2}}}{{{C_1}}} = \frac{{{d_1}}}{{{d_2}}} \Rightarrow {C_2} = 3,24{\rm{pF}}\)

Đúng
Sai

c) Điện tích của tụ điện sau khi gõ là: \({Q_2} = 2,{62.10^{ – 11}}{\rm{C}}\)

Đúng
Sai

d) Điện tích của tụ điện tăng một lượng: \({\rm{\Delta }}Q = 1,{22.10^{ – 11}}{\rm{C}}\)

Đúng
Sai

Câu 2 : Con hãy tích vào ô đúng hoặc sai cho mỗi câu (khẳng định) dưới đây.

Hai nguồn điện giống hệt nhau được mắc thành bộ rồi nối hai cực của bộ nguồn với hai đầu của một điện trở thì kết quả là: cường độ dòng điện qua điện trở trong trường hợp hai nguồn mắc nối tiếp và hai nguồn mắc song song đều bằng nhau.

a) Trường hợp hai nguồn mắc nối tiếp: \({I_1} = \frac{{2{\rm{E}}}}{{R + 2r}}\)

Đúng
Sai

Đúng
Sai

c) Từ (1) và (2) cho I1=I2 ta được R=r

Đúng
Sai

d) Thay vào tính được hiệu suất tương ứng trong hai trường hợp: \({H_2} = \frac{r}{{r + 2r}} = \frac{1}{3}\) và \({H_1} = \frac{r}{{r + \frac{r}{2}}} = \frac{2}{3}\)

Đúng
Sai

Câu 3 : Con hãy tích vào ô đúng hoặc sai cho mỗi câu (khẳng định) dưới đây.

Đặt hiệu điện thế U vào hai đầu một điện trở. Khi có điện lượng q chuyển qua điện trở thì năng lượng điện tiêu thụ A của điện trở được xác định bằng công thức A=qU

a) Năng lượng điện tiêu thụ của điện trở không phụ thuộc vào giá trị điện trở.

Đúng
Sai

b) Năng lượng điện tiêu thụ của điện trở phụ thuộc vào giá trị điện trở.

Đúng
Sai

c) Hiệu điện thế U giữa hai đầu điện trở tỉ lệ nghịch với điện lượng q chuyển qua điện trở.

Đúng
Sai

d) Hiệu điện thế U giữa hai đầu điện trở tỉ lệ thuận với điện lượng q chuyển qua điện trở.

Đúng
Sai

Câu 4 : Con hãy tích vào ô đúng hoặc sai cho mỗi câu (khẳng định) dưới đây.

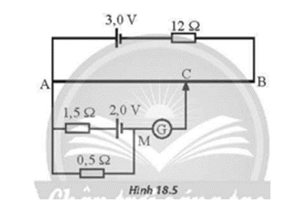
Một mạch chiết áp trong đó các giá trị suất điện động của pin và các điện trở được cho như Hình 18.5. Bỏ qua điện trở trong của các pin và của các dây nối. Đoạn AB là một dây thép đồng chất, tiết diện đều, chiều dài AB = 48cm và có điện trở 3Ω . G là một điện kế lí tưởng. Kim điện kế chỉ 0

a) Vì điện kế G chỉ số 0, nên không có dòng điện chạy qua đoạn MC (qua điện kế).

Đúng
Sai

b) Dòng điện qua AB do nguồn 3 V là: \({I_1} = 0,5{\rm{\;A}}\)

Đúng
Sai

c) Dòng qua điện trở  do nguồn 2 V là: \({I_2} = 1{\rm{\;A}}\)

Đúng
Sai

d) \({\rm{AC}} = 40{\rm{\;cm}}\) thì kim điện kế chỉ số 0

Đúng
Sai

Trắc nghiệm ngắn
Câu 1 :

Hai điện tích điểm có giá trị điện tích lần lượt là +3,0μC  và −5,0μC được đặt tại hai điểm M và N trong chân không. Khoảng cách giữa M và N là 0,2 m. Gọi P là điểm mà cường độ điện trường tổng hợp tại đó bằng 0. Hãy xác định MP

Câu 2 :

Một hạt bụi mang điện tích q=1μC có khối lượng m đang nằm cân bằng trong một điện trường đều giữa hai bản kim loại phẳng nằm ngang, tích điện trái dấu và cách nhau 1,5 cm. Khi đó các đường sức điện hướng theo phương thẳng đứng. Biết hiệu điện thế giữa hai bản là 100 V, lấy g=9,8 m/s2. Xác định khối lượng của hạt bụi theo đơn vị gam?

Câu 3 :

Trong vùng không gian giữa hai tấm kim loại phẳng, tích điện trái dấu nhau và cách nhau một đoạn d = 5 cm có một hạt bụi kim loại tích điện âm, khối lượng m=2.10−6 g đang lơ lửng tại vị trí cách đều hai tấm kim loại như Hình 13.5. Biết rằng hiệu điện thế giữa hai tấm kim loại khi đó là U=1000 V. Nếu hiệu điện điện thế đột ngột giảm đến giá trị U′=850 V, hạt bụi kim loại sẽ chuyển động về tấm nào? Sau bao lâu thì hạt bụi này chạm đến một trong hai tấm kim loại nói trên? Lấy g=9,8 m/s2

Câu 4 :

Hai dòng điện không đổi (1) và (2) có đồ thị biểu diễn sự phụ thuộc của cường độ dòng điện theo thời gian như Hình 16.2.

Hãy tính điện lượng do dòng điện (1) đi qua tiết diện thẳng của dây trong khoảng thời gian từ t1=2 s đến t2=4 s

Câu 5 :

Một lượng kim loại được nấu nóng chảy và kéo thành một đoạn dây dẫn. Cho dòng điện I chạy qua đoạn dây đó thì thời gian trung bình một electron đi từ đầu đến cuối đoạn dây là 4 giờ 30 phút. Nếu đoạn dây đó được nấu nóng chảy rồi kéo thành đoạn dây có chiều dài gấp đôi chiều dài ban đầu, sau đó vẫn cho dòng điện I như trên chạy qua thì thời gian trung bình một electron đi từ đầu đến cuối đoạn dây bằng bao nhiêu?

Câu 6 :

Mắc hai đầu điện trở R1 vào hai cực của một nguồn điện có suất điện động và điện trở trong lần lượt là E=8,0 V  và r=2Ωthì dòng điện chạy qua điện trở có cường độ 1,6 A. Mắc thêm vào mạch một điện trở R2 song song với R1 thì dòng điện chạy qua R2 có cường độ \(\frac{2}{3}{\rm{A}}\). Tính R2.

Lời giải và đáp án

Trắc nghiệm nhiều đáp án
Câu 1 :

Điện tích của một electron có giá trị bằng bao nhiêu?

  • A.
    1,6.10-19 C.                
  • B.
    -1,6.10-19 C.      
  • C.
    3,2.10-19 C.                 
  • D.
    -3,2.10-19 C.

Đáp án : B

Phương pháp giải :

Áp dụng lí thuyết về điện tích

Lời giải chi tiết :

Điện tích của một electron có giá trị bằng -1,6.10-19 C.

Đáp án B

Câu 2 :

Thông thường sau khi sử dụng khăn lông để lau mắt kính ta thấy sẽ có một vài mảnh vụn của lông tơ còn bám lại trên kính, đó là hiện tượng nhiễm điện do

  • A.
    hưởng ứng.                
  • B.
    tiếp xúc.           
  • C.
    cọ xát.              
  • D.
    khác cấu tạo vật chất.

Đáp án : C

Phương pháp giải :

Áp dụng lí thuyết về hiện tượng nhiễm điện

Lời giải chi tiết :

Hiện tượng nhiễm điện do cọ xát.

Đáp án C

Câu 3 :

 Đơn vị của cường độ điện trường là

  • A.
    V/m, C/N.                  
  • B.
    V.m, N.C.                  
  • C.
    V/m, N/C.                  
  • D.
    V.m, C/N.

Đáp án : C

Phương pháp giải :

Vận dụng lí thuyết điện trường

Lời giải chi tiết :

Đơn vị của cường độ điện trường là V/m, N/C.

Đáp án C

Câu 4 :

 Những phát biểu nào sau đây là đúng?

(1) Cường độ điện trường do điện tích điểm gây ra tại một điểm phụ thuộc vào độ lớn điện tích thử đặt tại điểm đó.

(2) Vectơ cường độ điện trường tại mỗi điểm cùng chiều với lực tác dụng lên điện tích thử dương tại điểm đó.

(3) Cường độ điện trường tại một điểm đặc trưng cho tác dụng lực của điện trường tại điểm đó.

(4) Các đường sức của cùng một điện trường có thể cắt nhau.

(5) Điện trường do điện tích âm gây ra trong không gian là điện trường đều.

  • A.
    2, 4 .
  • B.
    1, 3 .
  • C.
    2, 3 .
  • D.
    3, 4 .

Đáp án : C

Phương pháp giải :

Vận dụng lí thuyết điện trường

Lời giải chi tiết :

(1) – sai vì cường độ điện trường không phụ thuộc vào vào độ lớn điện tích thử đặt tại điểm đó.

(4) – sai vì các đường sức không cắt nhau

(5) – sai vì điện trường do điện tích âm không phải điện trường đều.

Đáp án C

Câu 5 :

Công của lực điện tác dụng lên một điện tích

  • A.
    phụ thuộc vào hình dạng đường đi của điện tích.
  • B.
    không phụ thuộc vào hình dạng đường đi của điện tích.
  • C.
    chỉ phụ thuộc vào độ lớn điện tích.
  • D.
    chỉ phụ thuộc vào cường độ điện trường.

Đáp án : B

Phương pháp giải :

Vận dụng lí thuyết công của lực điện

Lời giải chi tiết :

Công của lực điện tác dụng lên một điện tích không phụ thuộc vào hình dạng đường đi của điện tích.

Đáp án B

Câu 6 :

Có bao nhiêu phát biểu sau đây là không chính xác?

(1) Công của lực điện bằng độ giảm thế năng điện.

(2) Lực điện thực hiện công dương thì thế năng điện tăng.

(3) Công của lực điện không phụ thuộc vào độ lớn cường độ điện trường.

(4) Công của lực điện khác 0 khi điện tích dịch chuyển giữa hai điểm khác nhau trên một đường vuông góc với đường sức điện của điện trường đều.

  • A.
    1                      
  • B.
    2                       
  • C.
    3                       
  • D.
    4

Đáp án : C

Phương pháp giải :

Vận dụng lí thuyết công của lực điện

Lời giải chi tiết :

Các ý sai: (2), (3), (4).

Đáp án C

Câu 7 :

 Đại lượng nào đặc trưng cho khả năng tích điện của tụ điện?

  • A.
    Hiệu điện thế giữa hai bản tụ.                  
  • B.
    Hằng số điện môi.
  • C.
    Cường độ điện trường bên trong tụ.
  • D.
    Điện dung của tụ điện.

Đáp án : D

Phương pháp giải :

Áp dụng lí thuyết về tụ điện

Lời giải chi tiết :

Đại lượng đặc trưng cho khả năng tích điện của tụ điện là: Điện dung của tụ điện.

Đáp án D

Câu 8 :

 Ghép nối tiếp hai tụ điện có điện dung lần lượt là C1 và C2 (với C1>C2) thành một bộ tụ có điện dung C. Sắp xếp đúng là

  • A.
     C<C2<C1
  • B.
     C<C1<C2
  • C.
     C2<C<C1
  • D.
     C2<C1<C

Đáp án : A

Phương pháp giải :

Lí thuyết ghép tụ điện

Lời giải chi tiết :

Hai tụ ghép nối tiếp \(C = \frac{{{C_1}{C_2}}}{{{C_1} + {C_2}}} = \frac{1}{{\frac{1}{{{C_1}}} + \frac{1}{{{C_2}}}}} < {C_2}\)

Đáp án A

Câu 9 :

Năng lượng của tụ điện được xác định bởi công nào nào sau đây?

  • A.
    \(W = \frac{1}{2}Q{U^2}\)
  • B.
    \(W = \frac{1}{2}CU\)
  • C.
    \(W = C{U^2}\)
  • D.
    \(W = \frac{1}{2}\frac{{{Q^2}}}{C}\)

Đáp án : D

Phương pháp giải :

Áp dụng lí thuyết năng lượng tụ điện

Lời giải chi tiết :

Năng lượng tụ điện \(W = \frac{1}{2}\frac{{{Q^2}}}{C} = \frac{1}{2}C{U^2} = \frac{1}{2}QU\)

Đáp án D

Câu 10 :

Trong các thiết bị sau, thiết bị nào không sử dụng tụ điện?

  • A.
    Máy khử rung tim.
  • B.
    Khối tách sóng trong máy thu thanh AM.
  • C.
    Pin dự phòng.
  • D.
    Tuabin nước.

Đáp án : D

Phương pháp giải :

Vận dụng kiến thức thực tế

Lời giải chi tiết :

Tuabin nước không có tụ điện.

Đáp án D

Câu 11 :

Một proton và một electron đang bay theo phương ngang, cùng vận tốc dọc theo hướng từ tây sang đông tương ứng với hai dòng điện

  • A.
    cùng chiều từ tây sang đông.         
  • B.
    ngược chiều và khác độ lớn dòng điện.
  • C.
    cùng chiều từ đông sang tây.         
  • D.
    ngược chiều và cùng độ lớn dòng điện.

Đáp án : D

Phương pháp giải :

Vận dụng lí thuyết về chiều dòng điện

Lời giải chi tiết :

Một proton và một electron đang bay theo phương ngang, cùng vận tốc dọc theo hướng từ tây sang đông tương ứng với hai dòng điện ngược chiều (do dòng điện thứ 2 có chiều từ đông sang tây, ngược chiều dòng electron) và cùng độ lớn dòng điện.

Đáp án D

Câu 12 :

Quả cầu kim loại A tích điện dương, quả cầu kim loại B tích điện âm. Nối hai quả cầu bằng một dây đồng thì sẽ có

  • A.
    dòng electron chuyển từ B qua A.           
  • B.
    dòng electron chuyễn từ A qua B.
  • C.
    dòng proton chuyển từ B qua A.              
  • D.
    dòng proton chuyển từ A qua B.

Đáp án : A

Phương pháp giải :

Vận dụng lí thuyết về dòng điện

Lời giải chi tiết :

Quả cầu kim loại A tích điện dương, quả cầu kim loại B tích điện âm. Nối hai quả cầu bằng một dây đồng thì sẽ có dòng electron chuyển từ B qua A (do B đang thừa electron).

Đáp án A

Câu 13 :

 Hai pin giống nhau ghép song song với nhau thành bộ thì

  • A.
    suất điện động của bộ pin luôn nhỏ hơn suất điện động mỗi pin.
  • B.
    suất điện động của bộ pin luôn lớn hơn suất điện động của mỗi pin.
  • C.
    điện trở trong của bộ pin luôn nhỏ hơn điện trở trong của mỗi pin.
  • D.
    điện trở trong của bộ pin luôn lớn hơn điện trở trong của mỗi pin.

Đáp án : C

Phương pháp giải :

Vận dụng lí thuyết ghép nguồn điện

Lời giải chi tiết :

Hai pin giống nhau ghép song song với nhau thành bộ thì điện trở trong của bộ pin luôn nhỏ hơn điện trở trong của mỗi pin. Vì \({r_b} = \frac{r}{2}\)

Đáp án C

Câu 14 :

 Một pin sau một thời gian đem sử dụng thì

  • A.
    suất điện động và điện trở trong của pin đều tăng.
  • B.
    suất điện động và điện trở trong của pin đều giảm.
  • C.
    suất điện động của pin tăng và điện trở trong của pin giảm.
  • D.
    suất điện động của pin giảm và điện trở trong của pin tăng.

Đáp án : D

Phương pháp giải :

Vận dụng lí thuyết nguồn điện

Lời giải chi tiết :

Một pin sau một thời gian đem sử dụng thì suất điện động của pin giảm và điện trở trong của pin tăng.

Đáp án D

Câu 15 :

 So sánh đèn sợi đốt và điện trở nhiệt thuận. Phát biểu nào sau đây là đúng?

  • A.
    Điện trở của cả hai đều tăng nhanh theo nhiệt độ.
  • B.
    Điện trở của cả hai đều tăng chậm theo nhiệt độ.
  • C.
    Điện trở đèn sợi đốt tăng nhanh hơn so với điện trở nhiệt thuận.
  • D.
    Điện trở đèn sợi đốt tăng chậm hơn so với điện trở nhiệt thuận.

Đáp án : D

Phương pháp giải :

Vận dụng lí thuyết về điện trở

Lời giải chi tiết :

Điện trở đèn sợi đốt tăng chậm hơn so với điện trở nhiệt thuận.

Đáp án D

Câu 16 :

 Điện trở của một đèn sợi đốt tăng theo nhiệt độ vì

  • A.
    mật độ electron dẫn giảm.
  • B.
    mật độ electron dẫn tăng.
  • C.
    sự tán xạ với các electron dẫn bởi ion ở nút mạng tăng.
  • D.
    sự tán xạ với các electron dẫn bởi ion ở nủt mạng giảm.

Đáp án : C

Phương pháp giải :

Vận dụng lí thuyết về điện trở

Lời giải chi tiết :

Điện trở của một đèn sợi đốt tăng theo nhiệt độ vì sự tán xạ với các electron dẫn bởi ion ở nút mạng tăng.

Đáp án C

Câu 17 :

 Đặt hiệu điện thế 12 V vào hai đầu đoạn mạch. Năng lượng điện mà đoạn mạch đã tiêu thụ khi có điện lượng 150 C chuyển qua mạch bằng

  • A.
    1800 J.             
  • B.
    12,5 J.              
  • C.
    170 J.               
  • D.
    138 J.

Đáp án : A

Phương pháp giải :

Vận dụng công thức tính năng lượng tiêu thụ

Lời giải chi tiết :

A=qU=150.12=1800J

Đáp án A

Câu 18 :

 Đặt một hiệu điện thế không đổi vào hai đầu một biến trở R. Điều chỉnh giá trị R và đo công suất toả nhiệt P trên biến trở. Chọn phát biểu đúng.

  • A.
     P tỉ lệ với R.                                
  • B.
     P tỉ lệ với R2
  • C.
     P tỉ lệ nghịch với R.                     
  • D.
     P tỉ lệ nghịch với R2.

Đáp án : C

Phương pháp giải :

Vận dụng mối quan hệ giữa công suất và điện trở

Lời giải chi tiết :

Công suất \({\rm{P}} = \frac{{{U^2}}}{R}\)

Đáp án C

Trắc nghiệm đúng/sai
Câu 1 : Con hãy tích vào ô đúng hoặc sai cho mỗi câu (khẳng định) dưới đây.

Trong một số bàn phím máy tính, mỗi nút bấm được gắn với một tụ điện phẳng hai bản song song (có mô hình minh hoạ như Hình 14.2).

Khi giá trị điện dung của tụ điện thay đổi, máy tính sẽ ghi nhận tín hiệu tương ứng với kí tự trên bàn phím. Bản kim loại phía trên của tụ được gắn chặt với nút bấm và có thể di chuyển mỗi khi nhấn nút. Tụ điện nói trên được nối với mạch điện ngoài nên hiệu điện thế giữa hai bản tụ được duy trì ở một giá trị không đổi U=5 V. Trước khi gõ phím, khoảng cách giữa hai bản tụ là 2 mm, khi đó tụ điện có điện dung là 0,81 pF. Biết rằng điện dung của tụ tỉ lệ nghịch với khoảng cách giữa hai bản tụ. Khi gõ nút bấm đi xuống một đoạn 1,5 mm thì

a) Điện tích của tụ điện trước khi gõ là: \({Q_1} \approx 5,{05.10^{ – 12}}{\rm{C}}\)

Đúng
Sai

b) Gọi điện dung của tụ điện sau khi gõ là C2. Vì điện dung của tụ điện tỉ lệ nghịch với khoảng cách giữa hai bản tụ nên: \(\frac{{{C_2}}}{{{C_1}}} = \frac{{{d_1}}}{{{d_2}}} \Rightarrow {C_2} = 3,24{\rm{pF}}\)

Đúng
Sai

c) Điện tích của tụ điện sau khi gõ là: \({Q_2} = 2,{62.10^{ – 11}}{\rm{C}}\)

Đúng
Sai

d) Điện tích của tụ điện tăng một lượng: \({\rm{\Delta }}Q = 1,{22.10^{ – 11}}{\rm{C}}\)

Đúng
Sai

Đáp án

a) Điện tích của tụ điện trước khi gõ là: \({Q_1} \approx 5,{05.10^{ – 12}}{\rm{C}}\)

Đúng
Sai

b) Gọi điện dung của tụ điện sau khi gõ là C2. Vì điện dung của tụ điện tỉ lệ nghịch với khoảng cách giữa hai bản tụ nên: \(\frac{{{C_2}}}{{{C_1}}} = \frac{{{d_1}}}{{{d_2}}} \Rightarrow {C_2} = 3,24{\rm{pF}}\)

Đúng
Sai

c) Điện tích của tụ điện sau khi gõ là: \({Q_2} = 2,{62.10^{ – 11}}{\rm{C}}\)

Đúng
Sai

d) Điện tích của tụ điện tăng một lượng: \({\rm{\Delta }}Q = 1,{22.10^{ – 11}}{\rm{C}}\)

Đúng
Sai

Phương pháp giải :

Áp dụng công thức tính điện tích của tụ

Lời giải chi tiết :

a) Điện tích của tụ điện trước khi gõ là: \({Q_1} = {C_1}{U_1} = \left( {0,{{81.10}^{ – 12}}} \right).5 \approx 4,{05.10^{ – 12}}{\rm{C}}\)

Sai

b) Gọi điện dung của tụ điện sau khi gõ là C2. Vì điện dung của tụ điện tỉ lệ nghịch với khoảng cách giữa hai bản tụ nên: \(\frac{{{C_2}}}{{{C_1}}} = \frac{{{d_1}}}{{{d_2}}} \Rightarrow {C_2} = {C_1}.\frac{{{d_1}}}{{{d_2}}} = 0,81.\frac{2}{{2 – 1,5}} = 3,24{\rm{pF}}\)

Đúng

c) Điện tích của tụ điện sau khi gõ là: \({Q_2} = {C_2}{U_2} = \left( {3,{{24.10}^{ – 12}}} \right).5 \approx 1,{62.10^{ – 11}}{\rm{C}}\)

Sai

d) Điện tích của tụ điện tăng một lượng: \({\rm{\Delta }}Q = {Q_2} – {Q_1} = 1,{62.10^{ – 11}} – 4,{05.10^{ – 12}} \approx 1,{22.10^{ – 11}}{\rm{C}}\)

Đúng

Câu 2 : Con hãy tích vào ô đúng hoặc sai cho mỗi câu (khẳng định) dưới đây.

Hai nguồn điện giống hệt nhau được mắc thành bộ rồi nối hai cực của bộ nguồn với hai đầu của một điện trở thì kết quả là: cường độ dòng điện qua điện trở trong trường hợp hai nguồn mắc nối tiếp và hai nguồn mắc song song đều bằng nhau.

a) Trường hợp hai nguồn mắc nối tiếp: \({I_1} = \frac{{2{\rm{E}}}}{{R + 2r}}\)

Đúng
Sai

Đúng
Sai

c) Từ (1) và (2) cho I1=I2 ta được R=r

Đúng
Sai

d) Thay vào tính được hiệu suất tương ứng trong hai trường hợp: \({H_2} = \frac{r}{{r + 2r}} = \frac{1}{3}\) và \({H_1} = \frac{r}{{r + \frac{r}{2}}} = \frac{2}{3}\)

Đúng
Sai

Đáp án

a) Trường hợp hai nguồn mắc nối tiếp: \({I_1} = \frac{{2{\rm{E}}}}{{R + 2r}}\)

Đúng
Sai

Đúng
Sai

c) Từ (1) và (2) cho I1=I2 ta được R=r

Đúng
Sai

d) Thay vào tính được hiệu suất tương ứng trong hai trường hợp: \({H_2} = \frac{r}{{r + 2r}} = \frac{1}{3}\) và \({H_1} = \frac{r}{{r + \frac{r}{2}}} = \frac{2}{3}\)

Đúng
Sai

Phương pháp giải :

Vận dụng công thức mắc nguồn thành bộ

Lời giải chi tiết :

a) Trường hợp hai nguồn mắc nối tiếp: \({I_1} = \frac{{{{\rm{E}}_{nt}}}}{{R + {r_{nt}}}} = \frac{{2{\rm{E}}}}{{R + 2r}}\)

Đúng

b) Trường hợp hai nguồn mắc song song: \({I_2} = \frac{{{{\rm{E}}_{//}}}}{{R + {r_{//}}}} = \frac{{\rm{E}}}{{R + \frac{r}{2}}}\)

Đúng

c) Từ (1) và (2) cho I1=I2 ta được R=r

Đúng

d) Thay vào tính được hiệu suất tương ứng trong hai trường hợp: 

\({H_1} = \frac{r}{{r + 2r}} = \frac{1}{3}\) và \({H_2} = \frac{r}{{r + \frac{r}{2}}} = \frac{2}{3}\)

Sai

Câu 3 : Con hãy tích vào ô đúng hoặc sai cho mỗi câu (khẳng định) dưới đây.

Đặt hiệu điện thế U vào hai đầu một điện trở. Khi có điện lượng q chuyển qua điện trở thì năng lượng điện tiêu thụ A của điện trở được xác định bằng công thức A=qU

a) Năng lượng điện tiêu thụ của điện trở không phụ thuộc vào giá trị điện trở.

Đúng
Sai

b) Năng lượng điện tiêu thụ của điện trở phụ thuộc vào giá trị điện trở.

Đúng
Sai

c) Hiệu điện thế U giữa hai đầu điện trở tỉ lệ nghịch với điện lượng q chuyển qua điện trở.

Đúng
Sai

d) Hiệu điện thế U giữa hai đầu điện trở tỉ lệ thuận với điện lượng q chuyển qua điện trở.

Đúng
Sai

Đáp án

a) Năng lượng điện tiêu thụ của điện trở không phụ thuộc vào giá trị điện trở.

Đúng
Sai

b) Năng lượng điện tiêu thụ của điện trở phụ thuộc vào giá trị điện trở.

Đúng
Sai

c) Hiệu điện thế U giữa hai đầu điện trở tỉ lệ nghịch với điện lượng q chuyển qua điện trở.

Đúng
Sai

d) Hiệu điện thế U giữa hai đầu điện trở tỉ lệ thuận với điện lượng q chuyển qua điện trở.

Đúng
Sai

Phương pháp giải :

Vận dụng lí thuyết vào công thức đã cho

Lời giải chi tiết :

Với U cho trước và khi có điện lượng q chuyển qua thì năng lượng tiêu thụ là A=qU. Giá trị điện trở R càng lớn thì dòng điện càng nhỏ, như thế sẽ cần thời gian lâu hơn để điện lượng là q và ngược lại nhưng hoàn toàn không ảnh hưởng đến giá trị năng lượng tiêu thụ A. Tóm lại, với một hiệu điện thế cho trước xác định năng lượng tiêu thụ điện của một đoạn mạch chỉ còn phụ thuộc vào điện lượng chuyển qua mạch theo công thức A=qU

a) Năng lượng điện tiêu thụ của điện trở không phụ thuộc vào giá trị điện trở.

Sai

b) Năng lượng điện tiêu thụ của điện trở phụ thuộc vào giá trị điện trở.

Sai

c) Hiệu điện thế U giữa hai đầu điện trở tỉ lệ nghịch với điện lượng q chuyển qua điện trở.

Đúng

d) Hiệu điện thế U giữa hai đầu điện trở tỉ lệ thuận với điện lượng q chuyển qua điện trở.

Sai

Câu 4 : Con hãy tích vào ô đúng hoặc sai cho mỗi câu (khẳng định) dưới đây.

Một mạch chiết áp trong đó các giá trị suất điện động của pin và các điện trở được cho như Hình 18.5. Bỏ qua điện trở trong của các pin và của các dây nối. Đoạn AB là một dây thép đồng chất, tiết diện đều, chiều dài AB = 48cm và có điện trở 3Ω . G là một điện kế lí tưởng. Kim điện kế chỉ 0

a) Vì điện kế G chỉ số 0, nên không có dòng điện chạy qua đoạn MC (qua điện kế).

Đúng
Sai

b) Dòng điện qua AB do nguồn 3 V là: \({I_1} = 0,5{\rm{\;A}}\)

Đúng
Sai

c) Dòng qua điện trở  do nguồn 2 V là: \({I_2} = 1{\rm{\;A}}\)

Đúng
Sai

d) \({\rm{AC}} = 40{\rm{\;cm}}\) thì kim điện kế chỉ số 0

Đúng
Sai

Đáp án

a) Vì điện kế G chỉ số 0, nên không có dòng điện chạy qua đoạn MC (qua điện kế).

Đúng
Sai

b) Dòng điện qua AB do nguồn 3 V là: \({I_1} = 0,5{\rm{\;A}}\)

Đúng
Sai

c) Dòng qua điện trở  do nguồn 2 V là: \({I_2} = 1{\rm{\;A}}\)

Đúng
Sai

d) \({\rm{AC}} = 40{\rm{\;cm}}\) thì kim điện kế chỉ số 0

Đúng
Sai

Phương pháp giải :

Áp dụng định luật Ohm cho toàn mạch

Lời giải chi tiết :

a) Vì điện kế G chỉ số 0, nên không có dòng điện chạy qua đoạn MC (qua điện kế).

UMC=0⇒UAM=UAC (điểm M chập với điểm C).

Đúng

b) Dòng điện qua AB do nguồn 3 V là: \({I_1} = \frac{3}{{12 + 3}} = 0,2{\rm{\;A}}\)

Sai

c) Dòng qua điện trở  do nguồn 2 V là: \({I_2} = \frac{2}{{1,5 + 0,5}} = 1{\rm{\;A}}\)

Đúng

d)

\(\begin{array}{l} \Rightarrow {U_{{\rm{AM}}}} = {U_{{\rm{AC}}}} = 2 – 1,5 \cdot 1 = 0,5{\rm{\;V}} \Rightarrow {R_{{\rm{AC}}}} = \frac{{0,5}}{{0,2}} = 2,5{\rm{\Omega }}\\\frac{{{R_{{\rm{AC}}}}}}{{{R_{{\rm{AB}}}}}} = \frac{{{\rm{AC}}}}{{{\rm{AB}}}} \Rightarrow {\rm{AC}} = 40{\rm{\;cm}}\end{array}\)

Đúng

Trắc nghiệm ngắn
Câu 1 :

Hai điện tích điểm có giá trị điện tích lần lượt là +3,0μC  và −5,0μC được đặt tại hai điểm M và N trong chân không. Khoảng cách giữa M và N là 0,2 m. Gọi P là điểm mà cường độ điện trường tổng hợp tại đó bằng 0. Hãy xác định MP

Phương pháp giải :

Áp dụng công thức tính cường độ điện trường

Lời giải chi tiết :

Do hai điện tích tại M và N trái dấu nên điểm P  nằm ngoài đoạn MN  và gần M  hơn (do độ lớn điện tích tại M nhỏ hơn độ lớn điện tích tại N).

Câu 2 :

Một hạt bụi mang điện tích q=1μC có khối lượng m đang nằm cân bằng trong một điện trường đều giữa hai bản kim loại phẳng nằm ngang, tích điện trái dấu và cách nhau 1,5 cm. Khi đó các đường sức điện hướng theo phương thẳng đứng. Biết hiệu điện thế giữa hai bản là 100 V, lấy g=9,8 m/s2. Xác định khối lượng của hạt bụi theo đơn vị gam?

Phương pháp giải :

Áp dụng công thức tính lực điện

Lời giải chi tiết :

Vì hạt bụi nằm cân bằng nên trọng lực cân bằng với lực điện. Ta có:

\(F = P \Rightarrow q\frac{U}{d} = mg \Rightarrow m = \frac{{qU}}{{gd}} = \frac{{{{10}^{ – 6}}.100}}{{9,8.1,{{5.10}^{ – 2}}}} \approx 0,{68.10^{ – 3\;}}kg = 0,68\;g\)

Câu 3 :

Trong vùng không gian giữa hai tấm kim loại phẳng, tích điện trái dấu nhau và cách nhau một đoạn d = 5 cm có một hạt bụi kim loại tích điện âm, khối lượng m=2.10−6 g đang lơ lửng tại vị trí cách đều hai tấm kim loại như Hình 13.5. Biết rằng hiệu điện thế giữa hai tấm kim loại khi đó là U=1000 V. Nếu hiệu điện điện thế đột ngột giảm đến giá trị U′=850 V, hạt bụi kim loại sẽ chuyển động về tấm nào? Sau bao lâu thì hạt bụi này chạm đến một trong hai tấm kim loại nói trên? Lấy g=9,8 m/s2

Phương pháp giải :

Hạt bụi kim loại lơ lửng nên trọng lực cân bằng với lực điện

Lời giải chi tiết :

Khi U=1000 V, vì hạt bụi kim loại lơ lửng nên trọng lực cân bằng với lực điện. Khi đó, bản tích điện dương sẽ ở trên và bản tích điện âm sẽ ở dưới. Ta có: \({F_d} = P \Rightarrow |q|E = mg \Rightarrow |q| = \frac{{mg}}{E} = \frac{{mgd}}{U} = \frac{{({{2.10}^{ – 9}}).9,8.({{5.10}^{ – 2}})}}{{{{2.10}^{ – 9}}}} = 1,47\;m/{s^2}\)

Thời gian hạt bụi kim loại chuyển động đến khi gặp bản âm là:

\(t = \sqrt {\frac{{2s}}{a}}  = \sqrt {\frac{{2.(2,{{5.10}^{ – 2}})}}{{1,47}}}  \approx 0,18s\)

Câu 4 :

Hai dòng điện không đổi (1) và (2) có đồ thị biểu diễn sự phụ thuộc của cường độ dòng điện theo thời gian như Hình 16.2.

Hãy tính điện lượng do dòng điện (1) đi qua tiết diện thẳng của dây trong khoảng thời gian từ t1=2 s đến t2=4 s

Phương pháp giải :

Vận dụng công thức tính điện lượng

Lời giải chi tiết :

Điện lượng do dòng điện (1) đi qua tiết diện thẳng của dây trong khoảng thời gian từ \({t_1} = 2s\)đến \({t_2} = 4s\): \({\rm{\Delta }}{q_1} = {I_1}\left( {{t_2} – {t_1}} \right) = 5.\left( {4 – 2} \right) = 10{\rm{C}}\)

Câu 5 :

Một lượng kim loại được nấu nóng chảy và kéo thành một đoạn dây dẫn. Cho dòng điện I chạy qua đoạn dây đó thì thời gian trung bình một electron đi từ đầu đến cuối đoạn dây là 4 giờ 30 phút. Nếu đoạn dây đó được nấu nóng chảy rồi kéo thành đoạn dây có chiều dài gấp đôi chiều dài ban đầu, sau đó vẫn cho dòng điện I như trên chạy qua thì thời gian trung bình một electron đi từ đầu đến cuối đoạn dây bằng bao nhiêu?

Phương pháp giải :

Áp dụng công thức tính vận tốc trôi

Lời giải chi tiết :

Áp dụng: \(I = {S_1}ne{v_1} = {S_2}ne{v_2} \Rightarrow {S_1}{v_1} = {S_2}{v_2} \Rightarrow {S_1}\frac{{{\ell _1}}}{{{t_1}}} = {S_2}\frac{{{\ell _2}}}{{{t_2}}}\)

Vì cùng một lượng kim loại nên: \({S_1}{\ell _1} = {S_2}{\ell _2} \Rightarrow {t_1} = {t_2} = 4,5h\)

Vậy thời gian trung bình một electron đi từ đầu đến cuối đoạn dây vẫn không đổi và bằng 4 giờ 30 phút.

Câu 6 :

Mắc hai đầu điện trở R1 vào hai cực của một nguồn điện có suất điện động và điện trở trong lần lượt là E=8,0 V  và r=2Ωthì dòng điện chạy qua điện trở có cường độ 1,6 A. Mắc thêm vào mạch một điện trở R2 song song với R1 thì dòng điện chạy qua R2 có cường độ \(\frac{2}{3}{\rm{A}}\). Tính R2.

Phương pháp giải :

Vận dụng định luật Ohm cho toàn mạch

Lời giải chi tiết :

Áp dụng: \(I = \frac{{\rm{E}}}{{{R_1} + r}} = \frac{8}{{{R_1} + 2}} = 1,6\;A \Rightarrow {R_1} = 3\Omega \)

R2 song song với R1 nên: \({R_1}{I_1} = {R_2}{I_2} \Rightarrow 3{I_1} = \frac{2}{3}{R_2} \Rightarrow {I_1} = \frac{2}{9}{R_2}\) và \(I = {I_1} + {I_2} = \frac{{2{R_2}}}{9} + \frac{2}{3} = \frac{8}{{2 + \frac{{3{R_2}}}{{{R_2} + 3}}}} \Rightarrow {R_2} = 6{\rm{\Omega }}\)

TẢI APP ĐỂ XEM OFFLINE